Una tabla contiene las coordenadas de objetos específicos de un modelo:

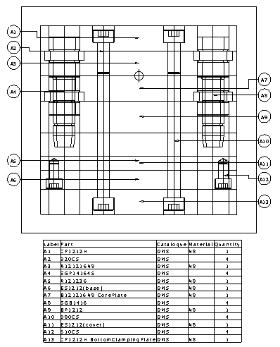
o es una lista de materiales, que recoge componentes/subensamblajes utilizados en un ensamblaje:

Si Microsoft Excel está instalado en su ordenador, se crean tablas embebidas.
Se pueden crear tablas para:
También puede modificar tablas para añadir más entradas.