Opciones de la anotación

La anotación es el texto de la dimensión :

Utilice la página de Anotación para modificar las opciones de la anotación:

Estilo — En la lista, seleccione el estilo de la línea.

Fuente — Seleccione la fuente que se utiliza en la anotación.

Texto embebido — Active esta opción para embeber el texto en la línea directriz.

Texto horizontal — Active esta opción para cambiar todo el texto posicionándolo en horizontal respecto del plano principal.

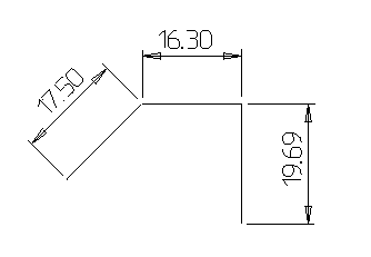
Imagine que las dimensiones tienen el ángulo de la siguiente imagen:

Cuando el texto se pasa a horizontal, el aspecto de las dimensiones pasa a ser el siguiente:

Separación — Modifica la separación que hay entre la directriz y el texto:

Fracciones — Convierte la parte decimal de la dimensión en una fracción, por defecto al octavo más próximo.

Denominador de la fracción — Asigna un valor determinado al denominador de la fracción. Es útil en la comparación de valores de dimensión.

Altura de los caracteres — Modifica la altura del texto.

Paso — Configura la cantidad de espacio que hay entre los caracteres.

Caracteres proporcionales — (Únicamente en la fuente Duct) Cuando esta opción está activada, el espacio que ocupa cada carácter no es fijo.

Formato del ángulo — Modifica la visualización de una dimensión angular. Seleccione el formato con el que el atributo de Formato del ángulo visualiza todas las dimensiones de ángulo:

Número de decimales — El número de decimales determina la cantidad de dígitos que se visualizan después de la coma decimal. Por defecto, los números se visualizan con dos decimales.

Eliminar los ceros a la derecha — Active esta opción para eliminar de las anotaciones de dimensión los ceros a la derecha de la parte decimal. Por defecto, esta opción está desactivada.

Opciones de las dimensiones múltiples — Las siguientes opciones de aplican a las dimensiones de punto base, cadena y ordenada: