Configure the monowills panelized handrail, using the settings in the dedicated properties dialog.
| Setting | Description |
|---|---|
| General Tab | |
| Handrail Type | Specifies the handrail type which determines the pipe sizes, material grade, and other various settings. |
| Construction Type |
Specifies the construction type, either:
|
| Extension at Midrail | Specifies the distance to which the midrail extends into the closure bend.
![]() |
| Weld Type | Specifies the type of weld, selected from the drop-down list. |
| Weld Size | Specifies the weld thickness. |
| Corner Tolerance | Specifies the minimum value at which the corner offsets need to be before a corner panel will be created. |
| Bolts Tab | |
| Bolts: | |
| Standard | Specifies the bolt standard, selected from the drop-down list. |
| Grade | Specifies the bolt grade value. |
| Diameter | Specifies the bolt diameter value. |
| Assembly | Specifies the bolt assembly for the connection, selected from the drop-down list. For example: Na2W = nut and 2 washers. |
| Bolt Clearance | Specifies the bolt clearance. |
| Kickplate Bolts: | |
| Standard | Specifies the bolt standard, selected from the drop-down list. |
| Grade | Specifies the bolt grade value. |
| Diameter | Specifies the bolt diameter value. |
| Assembly | Specifies the bolt assembly for the connection, selected from the drop-down list. For example: Na2W = nut and 2 washers. |
| Kickplate Bolt Clearance | Specifies the kickplate bolt clearance. |
| Kickplate Fixing |
Specifies where the kickplate is mounted:
|
| Segment Panel Tab | |
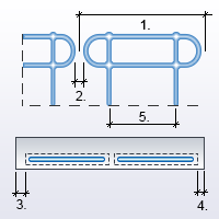
| 1. Max Panel Length |
![]() |
| 2. Panel Clearance | |
| 3. Seg Start Offset | |
| 4. Seg End Offset | |
| 5. Max Spacing | |
| Bend Radius | Specifies the bend radius. |
| Post Type | Specifies the post type, selected from the drop-down list. |
| Post Side | Specifies the side for the post, selected from the drop-down list. |
| Start Type | Specifies the type of the rail end condition, selected from the drop-down list. |
| End Type | |
| Segment Kickplate Tab | |
| 3. Gauge Offset |
![]() |
| 1. KP Start Offset | |
| 2. KP End Offset | |
| Kickplate Bracket | Specifies the kickplate bracket, selected from the drop-down list. |
| Kickplate Size | Specifies the kickplate size, selected from the drop-down list. |
| KP Switch Side checkbox | Switches the kickplate side. |
| KP Welded checkbox | If checked, it changes the kickplate fixing from bolted to welded. |