Un'etichetta di dettaglio è un elemento di annotazione che contrassegna la posizione di un dettaglio all'interno della vista primaria.
Utilizzare l'Editor di famiglie per creare una famiglia di estremità di dettaglio che consenta di definire la forma dell'estremità e le relative informazioni.
Nel progetto, creare un'etichetta di dettaglio per specificare la famiglia di estremità di dettaglio da utilizzare, nonché il raggio degli angoli del simbolo circolare di dettaglio.
Per definire l'estremità del dettaglio e il raggio dell'angolo del simbolo circolare di dettaglio, fare clic sulla scheda Gestiscigruppo Impostazionimenu a discesa Impostazioni aggiuntive, quindi selezionare Etichette di dettaglio.
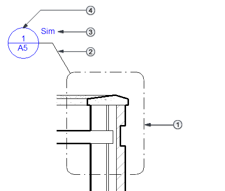
L'etichetta di dettaglio è composta da:
Simbolo circolare di dettaglio. Linea tracciata intorno ad una sezione specifica della vista primaria per definire l'area di dettaglio.
Linea direttrice. La linea che collega l'estremità del dettaglio al simbolo circolare di dettaglio.
Testo etichetta di riferimento. Solo per dettagli di riferimento. Il testo visualizzato in un'etichetta di dettaglio fornisce informazioni sul dettaglio.
Estremità dettaglio. Un simbolo che identifica il dettaglio. Quando si inserisce il dettaglio in una tavola, per default l'estremità del dettaglio visualizza il numero di dettaglio e il numero di tavola corrispondenti.