[粘弾性]材料は、非線形解析でのみ使用されます。[タイプ]ドロップダウンから[粘弾性]を選択すると、次の材料セクションが使用できるようになります: [一般]、[構造]、[粘弾性]、[実験データ関数]。
-
[一般]および[構造]
- [一般]および[構造]セクションでは、ヤング率、せん断弾性係数、ポアソン比、線膨張係数、質量密度を入力できます。
-
[粘弾性]
- 粘弾性は、一般化 Maxwell モデルを使用します。偏差応力は次の式で計算します。
ここで、各緩和成分の応力は次の式で計算します。
および
は緩和のない偏差応力です。
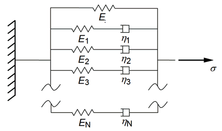
- 粘弾性緩和は、せん断弾性率または体積弾性率(もしくはその両方)で発生します。次の図の弾性率 E は、せん断弾性率 G または体積弾性率 K として解釈する必要があります。
ここで
= 無限時間での剛性
= 初期時間での剛性
ここで
ここで
ここで
および
項は、TABVE バルク データ入力を使用して定義されます。ここで
。
- 粘弾性材料特性は温度に強く依存します。異なる温度で材料特性を評価するのではなく、時間を適切にスケーリングした場合、高温での緩和曲線は低温での緩和曲線と同一になるという、熱レオロジー単純性と呼ばれる仮定を使用します。Prony 級数の緩和時間は次の計算式によってスケーリングされます。
ここで、2 つの異なるスケーリング関数がサポートされています。
[William-Landel-Ferry]:
[アレニウス]:
したがって、定数 C1、C2 は、スケーリング関数の選択 SHIFT に基づいて定義されます。
-
実験データ関数
- 減衰係数とは異なる係数、せん断/体積弾性率の緩和関数に対してスケーリング関数を定義できます。
- G0 および K0 は、それぞれせん断弾性率と体積弾性率の 0 次項を表します。
- GFUNC および KFUNC が定義されていない場合、E、G、NU 値を使用して既定値を定義します。