Poniżej opisano podstawowe elementy sterujące programów AutoCAD i AutoCAD LT.
Po uruchomieniu programu AutoCAD kliknij przycisk Nowy na karcie Początek, aby rozpocząć tworzenie nowego rysunku, lub przycisk Otwórz, aby pracować na istniejącym rysunku.

Nowy rysunek, Rysunek1, rozpoczyna się na nowej karcie tuż nad obszarem rysunku. Możesz klikać karty, aby przełączać między kilkoma otwartymi plikami rysunku a kartą Start.

Gwiazdka (*) obok nazwy rysunku wskazuje, że musi on zostać zapisany. Szybkim sposobem zamknięcia dowolnego rysunku jest kliknięcie ikony X na jego karcie.
Przećwicz rozpoczynanie i otwieranie rysunków oraz przełączanie między kartami. Karty rysunków możesz również przeciągać, aby zmieniać ich kolejność.
Program AutoCAD zawiera standardową wstążkę z kartami w górnej części aplikacji. Na karcie Narzędzia główne można uzyskać dostęp do niemal wszystkich poleceń przedstawionych w tym podręczniku. Ponadto pokazany poniżej pasek narzędzi szybkiego dostępu zawiera znane polecenia, takie jak Nowy, Otwórz, Zapisz, Drukuj i Cofnij.

Kluczowym elementem programu jest okno poleceń, które zwykle jest zadokowane u dołu okna aplikacji. W oknie poleceń są wyświetlane monity, opcje i komunikaty.

Zamiast korzystać ze wstążki, paska narzędzi lub menu polecenia można wprowadzać bezpośrednio w oknie poleceń. Jest to metoda preferowana przez wielu doświadczonych użytkowników programu.
Należy zwrócić uwagę, że po rozpoczęciu wprowadzania nazwa polecenia jest automatycznie uzupełniana. Gdy, tak jak w poniższym przykładzie, dostępnych jest kilka opcji, można dokonać wyboru, klikając żądaną opcję lub przechodząc do niej klawiszami strzałek i naciskając klawisz Enter lub klawisz spacji.

Większość osób używa myszy jako urządzenia wskazującego, ale inne urządzenia oferują równorzędne funkcje.

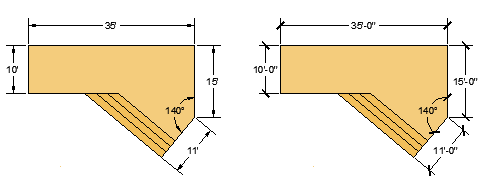
Dzięki określeniu ustawień tekstu, wymiarów, rodzajów linii i innych elementów można łatwo zapewnić zgodność z normami branżowymi lub firmowymi. Na przykład ten projekt tarasu przydomowego prezentuje dwa różne styl wymiaru.

Wszystkie te ustawienia można zapisać w pliku szablonu rysunku. Kliknij przycisk Nowy, aby wybrać jeden z kilku plików szablonu rysunku:


Znajdujące się na liście pliki szablonów z nazwą „Tutorial” w nazwie są prostymi przykładowymi szablonami przeznaczonymi do projektowania architektonicznego lub mechanicznego, opracowanymi zarówno w wersji calowej (i), jak i metrycznej (m). Możesz poeksperymentować z nimi podczas rozpoczynania tworzenia wymiarów.
Większość firm używa plików szablonów rysunków, które są zgodne z normami wewnętrznymi firmy. Często też używa się różnych plików szablonów rysunku w zależności od projektu lub klienta.
Każdy plik rysunku (.dwg) można zapisać jako plik szablonu rysunku (.dwt). Aby utworzyć nowy plik szablonu rysunku oparty na istniejącym, otwórz istniejący plik szablonu rysunku, zmodyfikuj go, a następnie zapisz pod inną nazwą.

Niezależni projektanci mogą tworzyć własne pliki szablonów rysunku zgodnie ze swoimi preferencjami, a w miarę zapoznawania się z dalszymi funkcjami programu mogą dodawać ustawienia tych funkcji. Aby zmodyfikować istniejący plik szablonu rysunku, kliknij przycisk Otwórz, w oknie dialogowym Wybierz plik określ typ pliku jako Szablon rysunku (*.dwt) i wybierz plik szablonu rysunku.

Po uruchomieniu nowego rysunku należy najpierw zdecydować o długości pojedynczej jednostki — cal, stopa, centymetr, kilometr lub inna jednostka długości. Na przykład obiekty pokazane poniżej mogą reprezentować dwa budynki, każdy o długości 125 stóp, albo przekrój części mechanicznej mierzony w milimetrach.

Gdy zostanie wybrana jednostka długości, polecenie JEDN pozwala określić kilka ustawień wyświetlania jednostek, w tym między innymi:
Aby pracować w stopach i calach, użyj polecenia JEDN i ustaw typ jednostek na Architektoniczne, a następnie podczas tworzenia obiektów określaj ich długości w calach. Aby używać jednostek metrycznych, pozostaw ustawienie typu jednostek na Dziesiętne. Zmiana formatu i dokładności jednostek nie wpływa na wewnętrzną dokładność rysunku. Wpływa jedynie na sposób wyświetlania długości, kątów i współrzędnych w interfejsie użytkownika.
Modele należy zawsze tworzyć w pełnej skali rozmiaru (1:1). Termin model odnosi się do geometrii projektu. Rysunek zawiera geometrię modelu wraz z wyświetlonymi w układzie widokami, uwagami, wymiarami, objaśnieniami, tabelami i tabelką rysunkową .
Podczas tworzenia układu należy określić skalę do drukowania rysunku na arkuszu o standardowym rozmiarze.

Naciśnij klawisz Esc, aby anulować operację wstępnego wyboru.