| Właściwość | Przykład | Opis |
|---|---|---|
|
Wywołaj punkt: kod używany w celu połączenia aktywnej figury z segmentem z ostatniego punktu lub określony identyfikator punktu. |
EP1 RPN EP1 RPN101 |
EP1 to nazwa figury; jeśli nazwy są zgodne, kontynuowana jest aktywna figura. RPN to kod Wywołaj punkt; jeśli nie istnieje punkt, punkt poprzedni łączony jest z punktem bieżącym i przed punktem bieżącym wstawiany jest segment. Kod EP1 RPN101 wykonuje połączenie bieżącego punktu ze wskazanym punktem. |
|
Połącz punkt: kod używany w celu oznaczenia utworzenia nowej figury (dla tego samego elementu) z segmentem pojedynczej linii od bieżącego punktu do określonego identyfikatora punktu. Określony identyfikator punktu odzwierciedla kod Punkt połączenia. |
EP1 B CPN101 |
W tym przykładzie nowa figura jest tworzona w bieżącym punkcie, a ponadto inna nowa figura o nazwie EP1.CPN101 z segmentem pojedynczej linii jest rysowana do punktu 101. Nazwę figury można modyfikować z zastosowaniem polecenia Właściwości figury. |
|
Kod Punkt połączenia powoduje zawsze utworzenie figury złożonej z segmentu pojedynczej linii. Następująca ilustracja przedstawia przykładowy kod Punkt połączenia: ![]() |
||
|
Prostokąt: kod używany w celu odsunięcia segmentu dochodzącego do bieżącego punktu o określoną wartość. |
BLD1 <Prostokąt> 40 |
Liczba dodatnia oznacza odsunięcie w prawo, liczba ujemna — odsunięcie w lewo w stosunku do kierunku, z którego segment dochodzi do bieżącego punktu. Jeśli po kodzie Prostokąt nie występuje liczba, kod powoduje zamknięcie figury przez utworzenie przecięcia linii prostopadłej z linią prostopadłą między poprzednim segmentem dochodzącym do bieżącego punktu a pierwszym segmentem figury. Uwaga:
Dla kodu Prostokąt bez liczny wymagane są przynajmniej trzy punkty umieszczone uprzednio na bieżącej figurze. |
|
Następująca ilustracja przedstawia kod Prostokąt o wartości określonej na poziomie 40: ![]() |
||
|
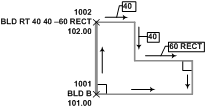
Skręt w prawo: kod używany z kodem segmentu linii w celu umożliwienia prostopadłego wstawienia dodatkowych wierzchołków do figury lub jako przedłużenia (odsunięcia proste). |
BLD1 RT X10.1 5 -12.2 -5 -12.2 |
Kontynuuje aktywną figurę BLD1 do bieżącego punktu, wydłuża jednostki bieżącego segmentu 10.1, a następnie rysuje segmenty prostopadłe dla poszczególnych wartości. Po kodzie <Skręt w prawo> występują wartości odsunięcia i kody <Wydłuż> lub <Prostokąt>. Wartości dodanie określają skrócenie w prawo, wartości ujemne — skrócenie w lewo. Uwaga:
Użyj kodów <Wydłuż><Wartość> aby utworzyć przedłużenie do przodu przez użycie wartości dodatniej lub do tyłu przez użycie wartości ujemnej. Uwaga:
Użyj kodu <Prostokąt> jako uzupełnienia kodu <Skręt w prawo>, w celu zamknięcia przez połączenie z segmentem początkowym jako przecięcie linii prostopadłej z linią prostopadłą od segmentu linii bieżącej figury. |
|
Następująca ilustracja przedstawia przykłady kodów Skręt w prawo i Prostokąt: ![]() |
||
|
Wydłuż: kod używany w celu utworzenia przedłużenie segmentu linii do przodu, dzięki zastosowaniu wartości dodatniej lub segmentu linii, który znajduje się tuż przed bieżącym punktem, dzięki zastosowaniu wartości ujemnej. |
BLD1 X15.5 |
BLD1 kontynuuje aktywną figurę, X to kod Wydłuż a 15.5 to wartość, o którą segment linii figury jest wydłużany przez bieżący punkt. |
|
Następująca ilustracja przedstawia przykłady kodów Wydłuż, Skręt w prawo i Prostokąt: ![]() |
||