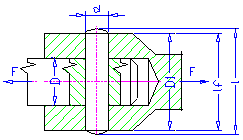
Zalecane wartości:
d = (0.2 -0.3) D
D 1 = (1,5 - 2) D - dla stali i staliwa
D 1 = 2.5 D - dla żeliwa szarego
Aktywna długość sworznia
Aktywna długość sworznia 1 f jest długością zredukowaną o fazowanie i zaokrąglenie. Długość aktywna zazwyczaj przenosi obciążenia.
Wzory
Kontrola naprężenia ścinającego
Kontrola nacisku dla kontaktu
Interpretacja symboli w jednostkach metrycznych:
| τ |
naprężenie ścinające [MPa]. |
|
τ A |
dopuszczalne naprężenie ścinające [MPa]. |
|
d |
średnica sworznia [mm]. |
|
p 1 |
ciśnienie w cięgnie [MPa]. |
|
p 2 |
ciśnienie w tulei [MPa]. |
|
p 1A |
dopuszczalne ciśnienie w tulei [MPa]. |
|
p 2A |
dopuszczalne ciśnienie w cięgnie [MPa]. |
|
D |
średnica cięgna [mm]. |
|
D 1 |
średnica tulei [mm]. |
Interpretacje symboli w jednostkach angielskich:
| τ |
naprężenie ścinające [psi] |
|
τ A |
dopuszczalne naprężenie ścinające [psi] |
|
d |
średnica sworznia [cal] |
|
p 1 |
nacisk w cięgnie [psi] |
|
p 2 |
nacisk w tulei [psi] |
|
p 1A |
dopuszczalny nacisk w tulei [psi] |
|
p 2A |
dopuszczalny nacisk w cięgnie [psi] |
|
D |
średnica cięgna [cal] |
|
D 1 |
średnica tulei [cal] |