Esse submontagem sobrepõe um lado de uma estrada existente e adiciona uma ou mais pistas de percurso para a borda, usando a inclinação de superelevação definida para a pista de percurso externa.

O ponto de anexação é a borda interna do topo da camada de sobreposição, se a Profundidade de sobreposição é diferente de zero, ou na borda interna na declividade final da pista de alargamento, se a profundidade de sobreposição é zero.
Nota: Todas as dimensões estão expressas em metros ou pés, a não ser que indicadas de outra forma. Todas as inclinações estão em forma de trecho sobre elevação (por exemplo, 4 : 1), a não ser que sejam indicadas como um percentual de inclinação, por meio de um sinal “%”.
|
Parâmetro |
Descrição |
Tipo |
Padrão |
|---|---|---|---|
|
Deslocamento de ponto de controle |
Deslocamento do ponto de controle, que define o início da camada de sobreposição do pavimento |
Numérico |
0.0 |
|
Inserir deslocamento de ponto |
Deslocamento do ponto de inserção da pista de alargamento, que é normalmente na borda de pista de rolamento existente. A especificação de um valor positivo para esse parâmetro insere essa submontagem no lado direito de um corredor, ou na linha base de controle. Um valor negativo a insere no lado esquerdo. Para maiores informações, consulte "Inserindo submontagens nos lados direito e esquerdo de um corredor" no capítulo Corredores do Guia de Ajuda do Usuário doAutodesk Civil 3D. |
Numérico |
0.0 |
|
Profundidade de sobreposição |
Profundidade da sobreposição acima da declividade final existente no ponto de controle. |
Numérico, positivo |
0.100 m 0.30 pés |
|
Largura |
Largura da pista de alargamento |
Numérico, positivo |
3.6 m 12.0 pés |
|
Profundidade Pave1 |
Espessura da camada Pave1 para o alargamento da pista; zero para omitir |
Numérico, positivo |
0.025 m 0.083 pés |
|
Profundidade Pave2 |
Espessura da camada Pave2 para o alargamento da pista; zero para omitir |
Numérico, positivo |
0.025 m 0.083 pés |
|
Profundidade da base |
Espessura da camada base para o alargamento da pista |
Numérico, positivo |
0.100 m 0.333 pés |
|
Profundidade de sub-base |
Espessura da camada de sub-base para o alargamento da pista |
Numérico, positivo |
0.300 m 1.0 pés |
Esta seção lista os parâmetros nesta submontagem que podem ser mapeados para um ou mais objetos de tangente, como uma superfície, um alinhamento ou objeto de perfil em um desenho. Para obter mais informações, consulte Para especificar os alvos do corredor.
|
Parâmetro |
Descrição |
Status |
|---|---|---|
|
Superfície existente |
Nome da superfície que define a rodovia existente. Os seguintes tipos de objeto podem ser usados como alvos para especificar esta superfície: superfícies. |
Necessário |
|
Deslocamento de ponto de controle |
Pode ser utilizado para substituir o deslocamento de ponto de controle fixo e vincular o ponto a um alinhamento de deslocamento. Os seguintes tipos de objetos podem ser usados como alvos para especificar este deslocamento: alinhamentos, polilinhas, linhas de recurso ou imagens de levantamento topográfico. |
Opcional |
|
Inserir deslocamento de ponto |
Pode ser utilizada para substituir a deslocamento do ponto fixo inserido e vincular o ponto com um alinhamento de deslocamento. Os seguintes tipos de objetos podem ser usados como alvos para especificar este deslocamento: alinhamentos, polilinhas, linhas de recurso ou imagens de levantamento topográfico. |
Opcional |
|
Largura |
Pode ser utilizada para substituir a largura fixa de pista de alargamento e vincular a margem da pista de rolamento com um alinhamento de deslocamento. Os seguintes tipos de objetos podem ser usados como alvos para especificar este deslocamento: alinhamentos, polilinhas, linhas de recurso ou imagens de levantamento topográfico. |
Opcional |
|
Parâmetro |
Descrição |
Tipo |
|---|---|---|
|
%Inclinação |
A inclinação calculada na superfície existente do ponto de amostra ao ponto de inserção |
Numérico |
A superelevação da pista externa é obtida a partir das propriedades de alinhamento do alinhamento de controle atual, e a elevação na Superfície existente no ponto de controle do deslocamento é determinada.
Se uma Profundidade de sobreposição diferente de zero é fornecida, essa profundidade é aplicada ao ponto de controle. A parte superior da camada de sobreposição se estende para o Deslocamento de ponto de inserção na inclinação da superelevação, e a forma de sobreposição é fechada por vínculos sobrepostos na Superfície existente, entre o controle e os pontos de inserção, e por adição de vínculos verticais em cada extremidade. A pista de alargamento é estendida para fora na inclinação de superelevação para a largura fornecida, a partir da borda da superfície de sobreposição.
Se a profundidade de sobreposição é zero, a pista de alargamento se estende para fora do Deslocamento do ponto de inserção até a Superfície existente, na inclinação de superelevação para a largura especificada.
As camadas de pavimento são fechadas com vínculos verticais em cada extremidade. Um único vínculo vertical também é colocado da margem interna da sub-base à superfície existente.
No modo de layout, esta submontagem pode ser anexada a qualquer ponto conveniente. A camada de sobreposição é mostrada a uma profundidade uniforme, para uma largura de 3.6 metros ou 12 pés e estendida em uma inclinação de -2%. Se a Profundidade de sobreposição é zero, a sobreposição é exibida como um único vínculo. A pista de alargamento é estendida a partir da borda da sobreposição a uma inclinação de -2%.
Quando utilizado no modo de modelagem de corredor, as formas ajustam para o ponto de controle selecionado, o ponto de inserção, a inclinação de superelevação e superfície existente.

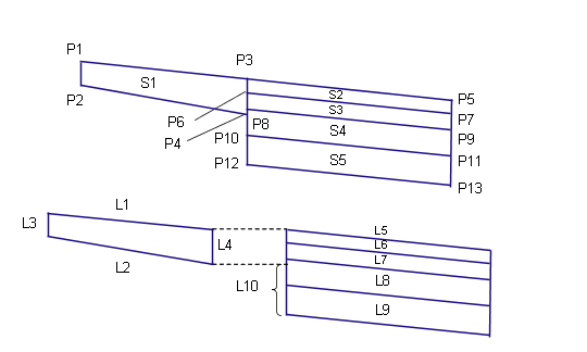
A tabela a seguir lista o ponto, o vínculo, e os códigos da forma para esta submontagem que tenha códigos atribuídos à ela. Ponto, vínculo ou códigos da forma para esta submontagem que não possuam códigos atribuídos não estarão incluídos nesta tabela.
|
Ponto, vínculo ou forma |
Código |
Descrição |
|---|---|---|
|
P5 |
ETW |
Margem externa da pista de alargamento na declividade final |
|
P7 |
ETW_Pave1 |
Margem externa da pista de alargamento no Pave1 |
|
P9 |
ETW_Pave2 |
Margem externa da pista de alargamento no Pave2 |
|
P11 |
ETW_Base |
Margem externa da pista de alargamento na bases |
|
P13 |
ETW_Sub |
Margem externa da pista de alargamento na sub-base |
|
L1, L5 |
Top, Pave |
Superfície com declividade final |
|
L2 |
Overlay |
Sobreposto sobre vínculos na superfície existente. Observe que pode haver mais de um único vínculo entre pontos P3 e P4. |
|
L6 |
Pave1 |
|
|
L7 |
Pave2 |
|
|
L8 |
Base |
|
|
L9 |
Sub-base, referência |
|
|
L10 |
Referência |
|
|
S1 |
Overlay |
Área entre a sobreposição e a pista existente. |
|
S2 |
Pave1 |
|
|
S3 |
Pave2 |
|
|
S4 |
Base |
|
|
S5 |
Sub-base |
