Данный элемент конструкции перекрывает одну сторону существующей дороги и добавляет к кромке одну или более полос дорожного полотна, используя поперечный уклон виража, определенный для наружной полосы движения.

Если параметр "Толщина покрытия" не равен нулю, точка привязки располагается на внутренней кромке верха слоя покрытия, если параметр "Толщина покрытия" равен нулю, точка привязки располагается на внутренней кромке проектной поверхности полосы уширения.
Примечание: если не указаны другие единицы, все размеры приводятся в метрах или футах. Если значение поперечного уклона не указано в процентах (знак «%»), все значения поперечного уклона даны как отношение длины к высоте (например, 4:1).
|
Параметр |
Описание |
Тип |
По умолчанию |
|---|---|---|---|
|
Смещение управляющей точки |
Смещение управляющей точки, которое определяет начало слоя дорожного покрытия |
Числовое |
0.0 |
|
Расстояние до точки вставки |
Смещение точки вставки полосы уширения, которая обычно расположена на существующем крае дорожного покрытия. При положительном значении этого параметра выполняется вставка элемента конструкции на правую сторону коридора или с управлением базовой линией. При отрицательном значении элемент вставляется на левую сторону. Дополнительные сведения приведены в разделе "Вставка элементов конструкции на правую и левую сторону коридора" главы "Коридоры" Руководства пользователя Autodesk Civil 3D. |
Числовое |
0.0 |
|
Толщина покрытия |
Толщина покрытия выше существующей проектной поверхности в управляющей точке. |
Числовое, положительное |
0,100 м 0,30 фута |
|
Ширина |
Ширина полосы уширения |
Числовое, положительное |
3,6 м 12,0 футов |
|
Толщина покрытия 1 |
Толщина слоя "Покрытие1" для полосы уширения; нуль - игнорировать слой |
Числовое, положительное |
0,025 м 0,083 фута |
|
Толщина покрытия 2 |
Толщина слоя "Покрытие2" для полосы уширения; нуль - игнорировать слой |
Числовое, положительное |
0,025 м 0,083 фута |
|
Толщина основания |
Толщина слоя основания для полосы уширения |
Числовое, положительное |
0,100 м 0,333 фута |
|
Толщина дополнительного слоя основания |
Толщина дополнительного слоя основания для полосы уширения |
Числовое, положительное |
0,300 м 1,0 фут |
В этом разделе перечислены параметры данного элемента конструкции, которые могут соответствовать одному или нескольким целевым объектам чертежа, например поверхности, трассе или профилю. Подробные сведения приведены в разделе Задание целей коридора.
|
Параметр |
Описание |
Статус |
|---|---|---|
|
Существующая поверхность |
Имя поверхности, определяющей существующее дорожное полотно. Следующие объекты могут использоваться в качестве целевых для задания поверхности: поверхности. |
Требуется |
|
Смещение управляющей точки |
Может использоваться для переопределения фиксированного значения "Смещение управляющей точки" и для привязки точки к смещенной трассе Следующие типы объектов могут использоваться в качестве целевых для указания смещения: трассы, полилинии, характерные линии и фигуры съемки. |
Не обязательно |
|
Расстояние до точки вставки |
Может использоваться для переопределения фиксированного значения "Расстояние до точки вставки" и для привязки точки к смещенной трассе Следующие типы объектов могут использоваться в качестве целевых для указания смещения: трассы, полилинии, характерные линии и фигуры съемки. |
Не обязательно |
|
Ширина |
Может использоваться для переопределения фиксированного значения "Ширина" полосы уширения и привязки края полосы к смещенной трассе Следующие типы объектов могут использоваться в качестве целевых для указания смещения: трассы, полилинии, характерные линии и фигуры съемки. |
Не обязательно |
|
Параметр |
Описание |
Тип |
|---|---|---|
|
Поперечный уклон в % |
Рассчитанный поперечный уклон на существующей поверхности от точки «Выборочная точка» до точки «Точка вставки» |
Числовое |
Вираж наружной полосы получают из свойств текущей управляющей трассы, затем определяется отметка на существующей поверхности при смещении управляющей точки.
Если параметр "Толщина покрытия" не равен нулю, в управляющей точке применяется толщина покрытия. Верх слоя покрытия продлевается к расстоянию до точки вставки с поперечным уклоном виража, форма покрытия замыкается звеньями, наложенными на существующую поверхность между управляющей точкой и точкой вставки, с обеих сторон добавляются вертикальные звенья. Полоса уширения продлевается в наружном направлении от кромки поверхности наложения с поперечным уклоном виража и заданной шириной.
Если параметр "Толщина покрытия" равен нулю, полоса уширения продлевается в наружном направлении от расстояния до точки вставки на существующей поверхности с поперечным уклоном виража на заданное значение "Ширина".
Слои дорожного покрытия с обоих концов замыкаются вертикальными звеньями. Одно вертикальное звено также размещается от внутренней кромки дополнительного слоя основания до существующей поверхности.
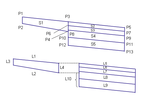
Данный элемент конструкции в режиме компоновки присоединяется к любой удобной точке. Слой покрытия показан с одинаковой глубиной и толщиной 3,6 метра или 12 футов с поперечным уклоном -2%. Если параметр "Толщина покрытия" равен нулю, покрытие показывается как отдельное звено. Полоса уширения продлевается от кромки покрытия с поперечным уклоном -2%.
Если элемент используется в режиме моделирования коридора, формы регулируются по выбранным управляющей точке, точке вставки, поперечному уклону виража и существующей поверхности.

В следующей таблице для этого элемента конструкции перечислены коды точек, звеньев и форм, для которых имеются назначаемые коды. Коды точек, звеньев или форм данного элемента конструкции, которым коды не назначаются, в таблице не приводятся.
|
Точка, Звено или Форма |
Код |
Описание |
|---|---|---|
|
P5 |
ETW |
Внешний край полосы уширения на проектной поверхности |
|
P7 |
ETW_Pave1 |
Внешний край полосы уширения на слое «Покрытие1» |
|
P9 |
ETW_Pave2 |
Внешний край полосы уширения на слое «Покрытие2» |
|
P11 |
КПЧ_Основание |
Внешний край полосы уширения на основании |
|
P13 |
КПЧ_Осн |
Внешний край полосы уширения на дополнительном слое основания |
|
L1, L5 |
Верх, Покрытие |
Проектная поверхность |
|
L2 |
Покрытие |
Наложенное на звенья на существующей поверхности. Следует заметить, что между точками Р3 и Р4 может быть не одна, а несколько точек. |
|
L6 |
Pave1 |
|
|
L7 |
Pave2 |
|
|
L8 |
Основание |
|
|
L9 |
Дополнительный слой основания, база отсчета |
|
|
L10 |
База отсчета |
|
|
S1 |
Покрытие |
Зона между покрытием и существующей полосой. |
|
S2 |
Pave1 |
|
|
S3 |
Pave2 |
|
|
S4 |
Основание |
|
|
S5 |
Дополнительный слой основания |
