ДренажныйКанал

Элемент конструкции «ДренажныйКанал» используется для вставки точек и звеньев с целью создания дренажного канала для сбора воды вдоль проезжей части.

Присоединение

Точка привязки находится на внутренней кромке дренажного канала. Данный компонент можно присоединить к правой или левой стороне.

Входные параметры

Прим.: Если не указаны другие единицы, все размеры приводятся в метрах или футах. Если значение поперечного уклона не указано в процентах (знак «%»), все значения поперечного уклона даны как отношение длины к высоте (например, 4:1).

Параметр

Описание

Тип

По умолчанию

Сторона Указывает сторону, на которой требуется разместить элемент конструкции. Слева / Справа Справа

Целевые параметры

В этом разделе перечислены параметры данного элемента конструкции, которые могут соответствовать одному или нескольким целевым объектам. Подробные сведения приведены в разделе Задание целей коридора.

Параметр

Описание

Статус

Elevation Может использоваться для переопределения дна трубы. Следующие типы объектов могут использоваться в качестве целевых для указания отметки: профили, 3D полилинии, характерные линии и фигуры съемки. Не обязательно

Динамические логические назначения

Нет.

Выходные параметры

Нет.

Режим

Точка привязки используется как исходная точка. После этого точки и звенья создаются на основе значений, сохраненных в элементе конструкции.

Работа в режиме компоновки

В режиме компоновки с помощью этого элемента конструкции прорисовывается элемент конструкции.

Коды точек, звеньев и форм

В следующей таблице для этого элемента конструкции перечислены коды точек, звеньев и форм, для которых имеются назначаемые коды. Коды точек, звеньев или форм данного элемента конструкции, которым коды не назначаются, в таблице не приводятся.

Точка, Звено или Форма

Код

Описание

P1-P4, P9, P10 Бетонная Углы бетонной конструкции водоприемника
P5, P8 НизБетоннойКонструкции Нижний угол бетонной конструкции
P6, P7 Жидкое цементное тесто Жидкое цементное тесто
P11-P13 Pipe Точки на трубе
L1, L2 Бетон, Верх Верх бетонной конструкции
L3, L7, L10, L11 Бетонная Бетонная конструкция водоприемника
L5 Жидкое цементное тесто Труба: жидкое цементное тесто
L12-L14 Pipe Звенья трубы
S1, S2 Бетонная Бетонная конструкция водоприемника
S3 Жидкое цементное тесто Жидкое цементное тесто вокруг трубы

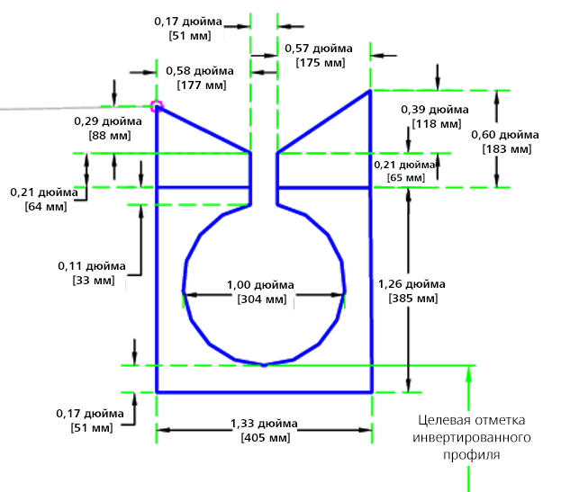
Диаграмма кодирования