2.5D铣削示例第3部分:创建特征

此步骤显示如何创建孔和矩形型腔特征。

英寸:

毫米:

  1. 创建孔特征。
    1. 选择开始选项卡>零件程序面板>特征。
    2. 新的特征向导,从通过尺寸域选择,然后点击下一步
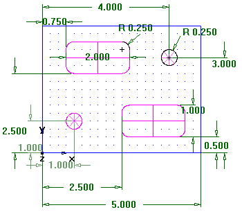
    3. 输入直径 0.5 (12 mm),然后单击下一步
    4. 输入孔中心位置X 1.0 (25 mm) ,Y 1.0 (25 mm),然后点击下一步

      这将显示策略页面。 此页面控制用于剪切特征的操作类型。 孔特征的默认操作是点钻,然后钻孔。 如果孔带平倒角,则默认情况是通过点钻操作来切削平倒角。

    5. 点击下一步,接受默认策略设置。

      操作页面显示了切削特征操作、自动选择的刀具、以及进给和转速的摘要。

    6. 完成菜单按钮选择完成
  2. 创建一矩形型腔特征。
    1. 选择开始选项卡>零件程序面板>特征。
    2. 新的特征向导中,从在通过尺寸域选择矩形型腔,然后点击下一步
    3. 点击下一步,接受默认尺寸设置。
    4. 输入型腔位置 X 0.75 (15 mm), Y 2.5 (60 mm), Z 0 (0 mm), 单击下一步

      策略页面显示创建了粗加工和精加工操作。

    5. 点击完成按钮。
  3. 选择开始选项卡>零件程序面板>特征, 创建第二个孔,其直径为 0.5 (12 mm), 位于 X=4 (95 mm) ,Y=3 (75 mm)。
  4. 选择开始选项卡>零件程序面板>特征,创建另一矩形型腔,其尺寸和第一个相同,但位于X=2.5 (55 mm), Y=0.5 (15 mm)。

  5. 选择文件>保存,将零件另存为 milling.fm