“注释”选项

注释是尺寸文本

使用“注释”页面可以更改注释选项:

样式 - 从列表中选择线样式

字体 - 选择注释要使用的字体。

嵌入文本 - 选择此选项在尺寸线中嵌入文本。

水平文本 - 选择此选项可更改所有文本,使其相对于主平面水平放置。

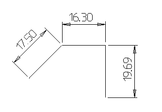
假设尺寸按如下角度放置:

文本变为水平时,尺寸如下所示:

间隙比率 - 编辑尺寸线和文本之间的间隙:

分数 - 将尺寸的小数部分转化为分数,默认转化为最接近的八分之一。

分数分母 - 将分数的分母设为特定值。如果要比较尺寸值,此功能非常有用。

字符高度 - 编辑文本的高度。

字距 - 此选项设置字符之间的空间大小。

比例字符 -(仅限 DUCT 字体)选择此选项时,每个字符占据的空间不是固定的。

角度格式 - 更改角度尺寸显示的方式。您可以选择“角度格式”将所有角度尺寸显示为以下类型之一:

小数位数 - 小数位数是小数点后打印的数字数目。默认情况下,数字将打印到两个小数位数。

删除尾部零 - 选择此选项可删除尺寸注释中小数点后面的任何尾部零。默认情况下,此选项处于未选中状态。

多零件尺寸选项 - 以下选项适用于基准点、尺寸链和同基准尺寸: