使用「寫出圖塊」插入儲存的電路

重複使用已儲存為 DWG 檔案的電路。

另一種儲存和插入電路的方法是使用 AutoCAD WBlock 指令將電路儲存到磁碟。單獨的「Insert Circuit」指令用來瀏覽到選取的儲存電路並將該電路插入到作用中的圖面。該方法允許建構無限多個電路並,將其儲存到磁碟中。可以將這些電路排列為一組共用的子資料夾,以便於使用「插入電路」指令瀏覽和擷取。

使用「WBlock」儲存電路

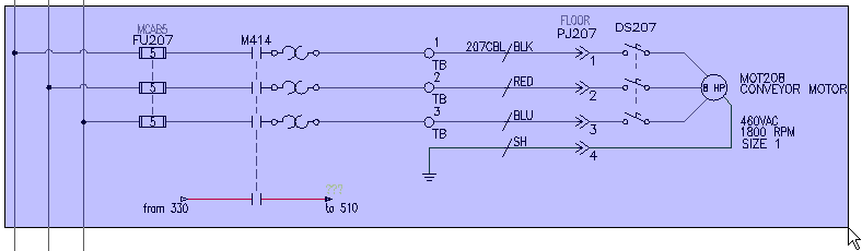
  1. 平移以顯示線參考 207 - 209 處的三相馬達電路。
  2. 在指令行上輸入 wblock,然後按 Enter
  3. 在「製作圖塊」對話方塊中,按一下「點選點」。
  4. 按下列提示操作:

    指定插入基準點:

    選取左側垂直母線與上方的水平配線在線參考 207 上的交點

  5. 在「製作圖塊」對話方塊中,按一下「選取物件」。
  6. 按下列提示操作:

    選取物件:  從左向右窗選整個電路,然後按一下右鍵

  7. 在「製作圖塊」對話方塊中,為儲存的電路輸入名稱。記錄圖檔的儲存位置。
  8. 按一下「確定」。

插入已寫為圖塊的電路

  1. 按一下「線路圖」頁籤 「插入元件」面板 「電路」下拉式清單 「插入已寫為圖塊的電路」 查找
  2. 在「插入已寫為圖塊的電路」對話方塊中,瀏覽至包含所儲存電路的資料夾。
  3. 選取已寫為圖塊的馬達電路,然後按一下「開啟」。
  4. 在「電路比例」對話方塊中,選取:

    將所有線移至配線圖層

    保留所有來源箭頭

    依需要更新電路的文字圖層

    按一下「確定」。

  5. 按下列提示操作:

    指定插入點:  選取圖面上的任意空白位置

    未設定為「固定的」的父元件標籤將根據插入點自動重新加標籤。其行為與使用圖示功能表方法插入電路時的行為相似。

  6. 刪除電路。