此次組合可覆疊既有道路的一側,並將一條或多條行巷道加入至邊緣,同時符合既有車道坡度。

貼附點位於覆疊圖層頂部的內側邊緣。
注意事項:除非另有說明,否則所有標註均以公尺或英呎為單位。除非指明是帶有「%」符號的百分比坡度,否則所有坡度均為水平寬度比垂直高度格式 (例如,4 : 1)。
|
參數 |
描述 |
類型 |
預設 |
|---|---|---|---|
|
取樣點偏移 |
取樣點的偏移,可以位於插入點與既有道路地形上的下一個坡度轉折之間的任何位置。典型的取樣點位置為道路的路拱;如果道路不是拱形,則為相對的車道邊緣。 |
數字 |
0.0 |
|
插入點偏移 |
插入點的偏移,通常位於要執行加寬的車道邊緣 |
數字 |
0.0 |
|
覆疊深度 |
既有完工整地地形上方的覆疊深度 |
正數 |
0.100 m 0.30 ft |
|
寬度 |
加寬車道的寬度 |
正數 |
3.6 m 12.0 ft |
|
鋪路 1 深度 |
用於加寬車道的鋪路 1 圖層的厚度;零表示省略此參數 |
正數 |
0.025 m 0.083 ft |
|
鋪路 2 深度 |
用於加寬車道的鋪路 2 圖層的厚度;零表示省略此參數 |
正數 |
0.025 m 0.083 ft |
|
基準深度 |
用於加寬車道的基本圖層的厚度 |
正數 |
0.100 m 0.333 ft |
|
基層深度 |
用於加寬車道的基層圖層的厚度 |
正數 |
0.300 m 1.0 ft |
本部分列示了此次組合中可以被對映至一個或多個目標物件 (例如圖面中的地形、定線或縱斷面物件) 的參數。若要取得更多資訊,請參閱〈指定廊道目標的步驟〉。
|
參數 |
描述 |
狀態 |
|---|---|---|
|
既有地形 |
定義既有道路的地形的名稱。以下物件類型可以用作指定此地形的目標:地形。 |
必需 |
|
取樣點偏移 |
可以用於取代固定的「取樣點偏移」,並將該點與偏移定線關聯。以下物件類型可以用作指定此偏移的目標:定線、聚合線、地勢線或測量圖形。 |
可選 |
|
插入點偏移 |
可以用於取代固定的「插入點偏移」,並將該點與偏移定線關聯。以下物件類型可以用作指定此偏移的目標:定線、聚合線、地勢線或測量圖形。 |
可選 |
|
寬度 |
可以用於取代固定的加寬車道寬度,並將車道邊緣與偏移定線關聯。以下物件類型可以用作指定此偏移的目標:定線、聚合線、地勢線或測量圖形。 |
可選 |
|
參數 |
描述 |
類型 |
|---|---|---|
|
百分比坡度 |
在既有地形上計算出的從取樣點到插入點的坡度 |
數字 |
將確定既有地形上取樣點和插入點的高程,並計算出從取樣點到插入點的坡度。在既有車道上方沿同一坡度依指定的「覆疊深度」加入覆疊圖層。將透過在既有坡度比上疊合一個或多個連接,來建立封閉的覆疊造型。將使用計算出的坡度,從插入偏移處的覆疊向外貼附加寬車道。
鋪面圖層將在每個端點處使用垂直連接來封閉。同時還將從基層內側邊緣到既有地形放置一個垂直連接。
在配置模式中,此次組合將貼附至任何合宜的點。覆疊圖層按以下樣式來展示:深度統一、寬度為 3.6 公尺 (或 12 英呎)、坡度為 -2%。加寬車道將從覆疊邊緣 -2% 的坡度延伸指定的寬度和深度。
在塑型模式中,此造型將調整為由「取樣點」、「插入點」和「既有地形」確定的實際情況。

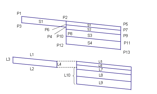
下表列示了此次組合中已為其指定代碼的點代碼、連接代碼和造型代碼。此次組合中未為其指定代碼的點代碼、連接代碼和造型代碼不包括在此表中。
|
點、連接或造型 |
字碼 |
描述 |
|---|---|---|
|
P5 |
ETW |
完工整地地形上的加寬外側車道邊緣 |
|
P7 |
ETW_Pave1 |
鋪路 1 上的加寬外側車道邊緣 |
|
P9 |
ETW_Pave2 |
鋪路 2 上的加寬外側車道邊緣 |
|
P11 |
ETW_Base |
基準上的加寬外側車道邊緣 |
|
P13 |
ETW_Sub |
基層上的加寬外側車道邊緣 |
|
L1、L5 |
Top, Pave |
完工整地地形地面 |
|
L2 |
Overlay |
既有地形上的疊合連接。請注意,點 P3 與 P4 之間可能存在多個連接。 |
|
L6 |
Pave1 |
|
|
L7 |
Pave2 |
|
|
L8 |
Base |
|
|
L9 |
SubBase, Datum |
|
|
L10 |
Datum |
|
|
S1 |
Overlay |
覆疊與既有車道之間的區域 |
|
S2 |
Pave1 |
|
|
S3 |
Pave2 |
|
|
S4 |
Base |
|
|
S5 |
SubBase |
