 
建議值
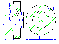
d = (0.12 - 0.25) D
l = (1 - 1.5) D
作用中的銷長度
作用中的銷長度 l f 是由倒角和圓角縮減後的長度。有效長度通常承載負載。
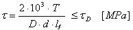
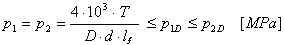
公制單位中的公式
轉換的扭矩
 
剪切應力檢查
 
接觸壓力檢查
 
其中:
| P | 傳遞的功率 [kW] | |
| n | 速度 [rpm] | |
| T | 扭矩 [Nm] | |
| τ | 剪切應力 [MPa] | |
| τ A | 允許的剪切應力 [MPa] | |
| d | 銷直徑 [mm] | |
| p 1 | 軸中的壓力 [MPa] | |
| p 2 | 輪轂中的壓力 [MPa] | |
| p 1A | 軸中允許的壓力 [MPa] | |
| p 2A | 輪轂中允許的壓力 [MPa] | |
| D | 軸直徑 [mm] | |
| D 1 | 輪轂直徑 [mm] | |
| l f | 作用中的銷長度 [mm] | 
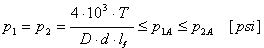
英制單位中的公式
轉換的扭矩
 
剪切應力檢查
 
接觸壓力檢查
 
其中:
| P | 轉換的功率 [HP] | |
| n | 速度 [rpm] | |
| T | 扭矩 [lb ft] | |
| τ | 剪切應力 [psi] | |
| τ A | 允許的剪切應力 [psi] | |
| d | 銷直徑 [in] | |
| p 1 | 軸中的壓力 [psi] | |
| p 2 | 輪轂中的壓力 [psi] | |
| p 1A | 軸中允許的壓力 [psi] | |
| p 2A | 輪轂中允許的壓力 [psi] | |
| D | 軸直徑 [in] | |
| D 1 | 輪轂直徑 [in] | |
| l f | 作用中銷長度 [in] |