 
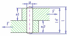
作用中的銷長度
作用中的銷長度 l f 是由倒角和圓角縮減後的長度。有效長度通常承載負載。
公式
剪切應力檢查
 
接觸壓力檢查
 
公制單位中的符號之解釋:
| τ | 剪切應力 [MPa] | 
| τ A | 允許的剪切應力 [MPa] | 
| d | 銷直徑 [mm] | 
| p 1 | 頂板中的壓力 [MPa] | 
| p 2 | 底板中的壓力 [MPa] | 
| p 1A | 頂板中允許的壓力 [MPa] | 
| p 2A | 底板中允許的壓力 [MPa] | 
| s 1 | 頂板厚度 [mm] | 
| s 2 | 底板厚度 [mm] | 
英制單位中的符號之解釋:
| τ | 剪切應力 [psi] | 
| τ A | 允許的剪切應力 [psi] | 
| d | 銷直徑 [in] | 
| p 1 | 頂板中的壓力 [psi] | 
| p 2 | 底板中的壓力 [psi] | 
| p 1A | 頂板中允許的壓力 [psi] | 
| p 2A | 底板中允許的壓力 [psi] | 
| s 1 | 頂板厚度 [in] | 
| s 2 | 底板厚度 [in] |