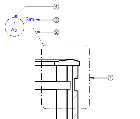
Popisek detailu je prvek poznámky, který označuje umístění detailu v nadřazeném pohledu.
panel Nastavení
rozevírací seznam Další nastavení a vyberte položku Štítky odkazu.

Popisek detailu obsahuje následující části:
Bublina detailu. Čára nakreslená okolo části nadřazeného pohledu, která definuje oblast detailu.
Odkazová čára. Čára, která spojuje záhlaví detailu s bublinou detailu.
Referenční štítek. Pouze pro referenční detail. Text zobrazený ve popisku detailu, který poskytuje informace o detailu.
Záhlaví popisku. Symbol, který označuje detail. Při umístění detailu do výkresu se ve výchozím nastavení zobrazí v záhlaví detailu odpovídající číslo detailu a výkresu.