Verwenden Sie einen Schaltkreis wieder, der als DWG-Datei gespeichert wurde.
Sie können Schaltkreise auch mit dem AutoCAD-Befehl WBlock auf der Festplatte speichern und einfügen. Es wird ein separater Befehl Schaltkreis einfügen verwendet, um zu einem ausgewählten gespeicherten Schaltkreis zu wechseln und ihn in die aktive Zeichnung einzufügen. Auf diese Weise können beliebig viele Schaltkreise erstellt und gespeichert werden. Sie können in mehreren freigegebenen Unterordnern organisiert werden, damit sie anhand des Befehls Schaltkreis einfügen auf einfache Weise gesucht und wiederverwendet werden können.
Speichern von Schaltkreisen mit dem Befehl WBlock
Basispunkt für Einfügung angeben:
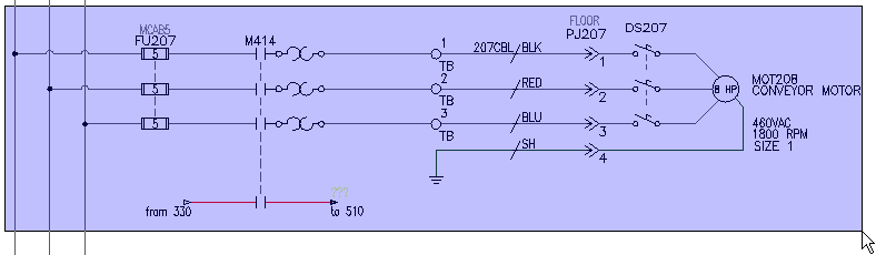
Wählen Sie den Schnittpunkt des linken vertikalen Busses mit dem oberen horizontalen Draht am Strompfad 207

Objekte wählen: Nehmen Sie eine Fensterauswahl von links nach rechts um den vollständigen Schaltkreis vor, und klicken Sie mit der rechten Maustaste

Einfügen eines mit WBlock erstellten Schaltkreises


. Finden
Alle Verbindungen auf Drahtlayer verschieben
Alle Quellpfeile beibehalten
Textlayer des Schaltkreises bei Bedarf aktualisieren
Klicken Sie auf OK.
Einfügepunkt angeben: Wählen Sie eine beliebige freie Stelle in der Zeichnung
Die übergeordneten Betriebsmittel-Kennzeichnungen, die nicht auf Fest eingestellt sind, werden automatisch anhand des Einfügepunkts neu berechnet. Dies entspricht dem Verhalten beim Einfügen eines Schaltkreises unter Verwendung des Symbolmenüs.