In dieser Übung lernen Sie, wie Sie mit REM-Befehlen ein Rasterbild ändern.
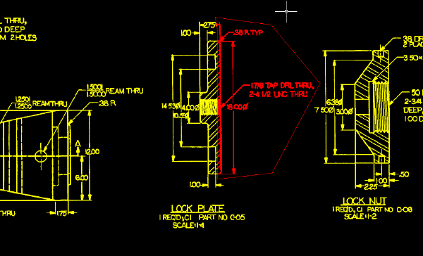
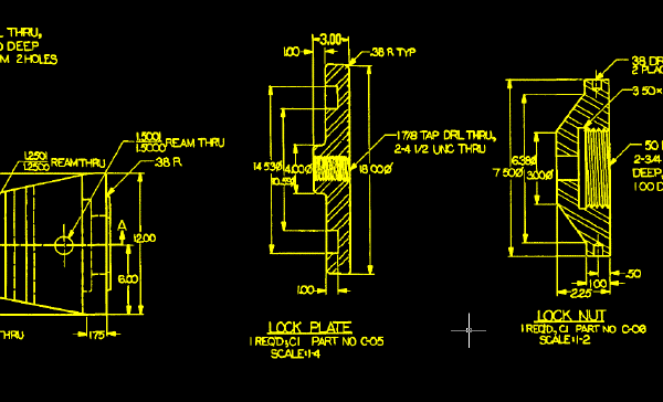
Sie bearbeiten ein Sicherungsblech, das Teil einer Bohrschablone ist, wobei die Blechdicke des Sicherungsblechs erhöht wird. Anschließend wird der Maßtext aktualisiert, um die Änderung in der Dicke wiederzugeben.
Vor dem Ausführen dieser Übung sollten Sie sicherstellen, dass die AutoCAD Raster Design toolset-Optionen entsprechend der Beschreibung in der Übung Übung A1: Festlegen von AutoCAD Raster Design Toolset-Optionen festgelegt sind.
Gruppe Benannte Ansichten
Ansichts-Manager
. Erweitern Sie dann den Knoten Modellansichten, wählen Sie die Ansicht mit dem Namen TU_lock_plate, klicken Sie auf Aktuell und dann auf OK.
Teilen des Sicherungsblechs in zwei Teile
Gruppe REM
Dropdown-Menü Region erstellen
Polygonale Region
.

Durch diese Aktion entsteht im Rasterbild eine Lücke. Sie müssen das Regionen-Objekt mit dem Bild zusammenführen, bevor Sie andere Änderungen an dem Teil vornehmen können.
Schließen der oberen horizontalen Linie
Gruppe Benannte Ansichten
Ansichts-Manager
. Erweitern Sie dann den Knoten Modellansichten, wählen Sie die Ansicht mit dem Namen TU_2.75 aus, klicken Sie auf Aktuell und anschließend auf OK.
Gruppe REM
Dropdown-Menü Grundkörper erstellen
Linie
. Wählen Sie die horizontale Linie oben an der Sicherungsplatte aus.
Die Linie wird zu einem Grundkörper.

Schließen der unteren horizontalen Line
Gruppe Benannte Ansichten
Ansichts-Manager
. Erweitern Sie dann den Knoten Modellansichten, wählen Sie die Ansicht mit dem Namen TU_bottom, klicken Sie auf Aktuell und anschließend auf OK.
Gruppe REM
Dropdown-Menü Grundkörper erstellen
Linie
. Wählen Sie die horizontale Linie unten an der Sicherungsscheibe aus.
Die Linie wird zu einem Grundkörper.

Schließen der Gewindelinien
Gruppe Benannte Ansichten
Ansichts-Manager
. Erweitern Sie dann den Knoten Modellansichten, wählen Sie die Ansicht mit dem Namen TU_thread, klicken Sie auf Aktuell und anschließend auf OK.
Gruppe REM
Dropdown-Menü Region erstellen
Rechteckige Region
.
Anschließend können Sie dieses Objekt kopieren, um die Lücke in den Gewindelinien zu schließen.


Alle löschen.
Ersetzen des Maßtexts
Der Maßtext soll jetzt von 2,75 auf 3,00 geändert werden, um die neue Dicke des Sicherungsblechs anzugeben.
Gruppe Benannte Ansichten
Ansichts-Manager
. Erweitern Sie dann den Knoten Modellansichten, wählen Sie die Ansicht mit dem Namen TU_2.75 aus, klicken Sie auf Aktuell und anschließend auf OK.
Gruppe Text vektorisieren und erkennen
Text Dropdown-Menü
Text
. Wählen Sie dann einen Punkt am Fuß der Ziffer 2 auf der linken Seite.
Das Fadenkreuz zeigt an, wo der Punkt für die Platzierung von neuem Maßtext gewählt werden muss.

Das AutoCAD Raster Design toolset platziert neuen Maßtext am gewählten Punkt. Beachten Sie, dass Sie in der Befehlszeile die Option Intelligentes Fenster zum Entfernen des Rastertexts erhalten. Als Nächstes benutzen Sie diese Methode, um den Rastertext 2.75 zu entfernen.
Gruppe Bearbeiten (erweitert)
Rasterstift
.
Im folgenden Beispiel ist dargestellt, wo die zwei Punkte gewählt werden müssen, die die Rasterstiftbreite für den neuen Maßtext bestimmen. Wenn Sie Rastertext aus dem Vektormaßtext erstellen, sollte die Dicke des Texts mit der der Linie im Bild vergleichbar sein.

Im folgenden Beispiel ist dargestellt, wie das Bild aussehen sollte, nachdem Sie den alten Maßtext durch neuen Rastertext ersetzt haben, der aus Vektormaßtext erstellt wurde.

Überprüfen der am Sicherungsblech vorgenommenen Änderungen
Gruppe Benannte Ansichten
Ansichts-Manager
. Erweitern Sie dann den Knoten Modellansichten, wählen Sie die Ansicht mit dem Namen TU_lock_plate, klicken Sie auf Aktuell und dann auf OK.
In diesem Beispiel ist dargestellt, wie das Sicherungsblech und der Maßtext nach der Aktualisierung aussehen sollten.
