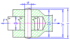
Empfohlene Werte
d = (0.2 -0.3) D
D 1 = (1.5 - 2) D - für Stahl und Gussstahl
D 1 = 2.5 D - für graues Gusseisen
Aktive Stiftlänge
Die aktive Stiftlänge l f ist eine um Fasen und Rundungen reduzierten Länge. Die aktive Länge überträgt in der Regel die Belastung.
Formeln
Kontrolle der Scherspannung
Kontrolle des Kontaktdrucks
Bedeutung der Symbole für metrische Einheiten:
| τ |
Scherspannung [MPa] |
|
τ A |
Zulässige Scherspannung [MPa] |
|
d |
Stiftdurchmesser [mm] |
|
p 1 |
Druck in der Zugstange [MPa] |
|
p 2 |
Druck in der Muffe [MPa] |
|
p 1A |
Zulässiger Druck in der Muffe [MPa] |
|
p 2A |
Zulässiger Druck in der Zugstange [MPa] |
|
D |
Zugstangendurchmesser [mm] |
|
D 1 |
Muffendurchmesser [mm] |
Bedeutung der Symbole für englische Einheiten:
| τ |
Scherspannung [psi] |
|
τ A |
Zulässige Scherspannung [psi] |
|
d |
Stiftdurchmesser [in] |
|
p 1 |
Druck in der Zugstange [psi] |
|
p 2 |
Druck in der Muffe [psi] |
|
p 1A |
Zulässiger Druck in der Muffe [psi] |
|
p 2A |
Zulässiger Druck in der Zugstange [psi] |
|
D |
Zugstangendurchmesser [in] |
|
D 1 |
Muffendurchmesser [in] |