Automatische Skizzenbemaßungen sind standardmäßig ausgeblendet. Diese Bemaßungen werden nur angezeigt, wenn mindestens eine beschriftete Bemaßung in der Familie vorhanden ist.
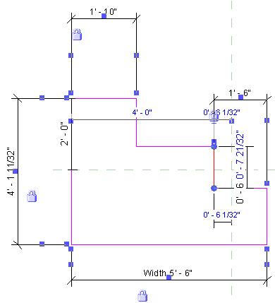
In der folgenden Abbildung wurde die Geometrie mit einer Bemaßung versehen, diese ist jedoch nicht beschriftet.

Es werden keine automatischen Skizzenbemaßungen angezeigt.
So aktivieren Sie die Sichtbarkeit automatischer Skizzenbemaßungen
Gruppe Grafik 
(Sichtbarkeit/Grafiken), oder geben Sie VG ein.
Die automatischen Skizzenbemaßungen werden angezeigt.

Revit kennt nun die Position jeder Linie dieser Geometrie relativ zu Referenzebenen oder anderen Skizzenlinien.
Wenn Sie gesperrte Bemaßungen hinzufügen, ersetzen diese die automatischen Skizzenbemaßungen, wie hier gezeigt.
