Eine Detailausschnittsbeschriftung ist ein Beschriftungstextelement, das die Position eines Detailausschnitts in einer übergeordneten Ansicht markiert.
- Benutzen Sie den Familieneditor zum Erstellen einer Detailausschnittsbeschriftungsfamilie, mit der die Form der Detailausschnittsbeschriftung sowie die darin enthaltenen Informationen festgelegt werden.
- Erstellen Sie in einem Projekt eine Detailausschnittsbeschriftung, mit der die zu verwendende Detailausschnittsbeschriftungsfamilie sowie der Radius der Ecken des Beschriftungsblocks angegeben werden.
- Zum Definieren der Detailausschnittsbeschriftung und der Radius der Ecken des Beschriftungsblocks einrastet, klicken Sie auf Registerkarte Verwalten
Gruppe Einstellungen
Dropdown-Liste Zusätzliche Einstellungen, und wählen Sie Detailausschnittsbeschriftungen festzulegen.
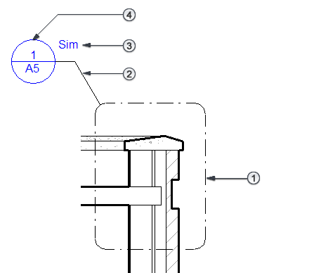
Die Detailausschnittsbeschriftung besteht aus folgenden Teilen:
Detailausschnittsbeschriftungsblock: Die um einen Teil der übergeordneten Ansicht gezogene Linie, die den Detailausschnittbereich definiert
-
Führungslinie: Eine Linie, die die Detailausschnittsbeschriftung mit dem Detailausschnittsbeschriftungsblock verbindet.
Referenzbeschriftung: Nur bei Referenzdetailausschnitten. In einer Detailausschnittsbeschriftung angezeigter Text, der Informationen über den Detailausschnitt anzeigt.
-
Detailausschnittsbeschriftung: Ein Symbol, das den Detailausschnitt kennzeichnet. Wird der Detailausschnitt auf einem Plan platziert, zeigt die Detailausschnittsbeschriftung standardmäßig die entsprechende Detailnummer und Plannummer an.