In this exercise you learn how to use REM commands to modify a raster image.
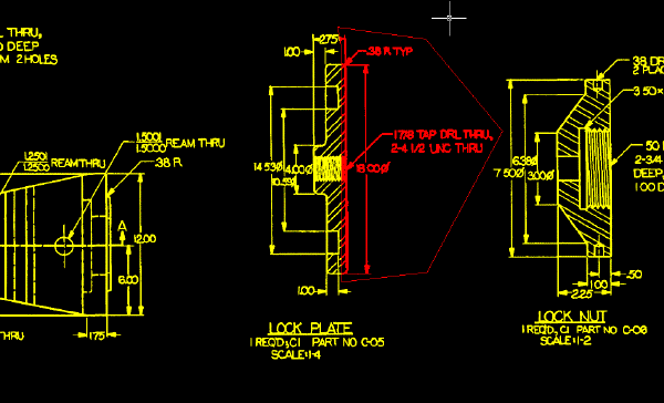
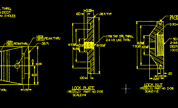
You will modify a lock plate that is part of a drill jig, increasing the back plane thickness of the lock plate, then updating the dimension text to reflect the change in thickness.
Before doing this exercise, you should ensure that AutoCAD Raster Design toolset options are set as described in the exercise Exercise A1: Setting AutoCAD Raster Design Toolset Options.
Named Views panel
View Manager
. Then expand the
Model Views node and select the view named
TU_lock_plate, click
Set Current, and click
OK.
Separate the lock plate into two pieces
REM panel
Create Region drop-down menu
Polygonal Region
.

This action creates a gap in the raster image. You must merge the region object into the image before you can make other changes to the part.
Close the top horizontal line
Named Views panel
View Manager
. Then expand the
Model Views node and select the view named
TU_2.75, click
Set Current, and click
OK.
REM panel
Create Primitive drop-down menu
Line
. Select the horizontal line at the top of the lock plate.
The line becomes a primitive object.

Close the bottom horizontal line
Named Views panel
View Manager
. Then expand the
Model Views node and select the view named
TU_bottom, click
Set Current, and click
OK.
REM panel
Create Primitive drop-down menu
Line
. Select the horizontal line at the bottom of the lock plate.
The line becomes a primitive object.

Close the thread lines
Named Views panel
View Manager
. Then expand the
Model Views node and select the view named
TU_thread, click
Set Current, and click
OK.
REM panel
Create Region drop-down menu
Rectangular Region
.
You can then copy this object to close the gap in the thread lines.


Clear All from the shortcut menu.
Replace the dimension text
You will now change the dimension text from 2.75 to 3.00 to indicate the new thickness of the lock plate.
Named Views panel
View Manager
. Then expand the
Model Views node and select the view named
TU_2.75, click
Set Current, and click
OK.
Vectorize & Recognize Text panel
Text drop-down menu
Text
. Then select a point at the base of the numeral 2 on the left.
The crosshairs identify where to select a point for placing new dimension text.

AutoCAD Raster Design toolset places the new dimension text at the point you selected. On the command line, note that you are presented with a Smart Window option for removing the raster text. You will next use this method to remove the raster text 2.75.
Edit panel (expanded)
Raster Pen
.
The following example shows where to select the two points that determine the raster pen width for the new dimension text. When you create raster text from the vector dimension text, the thickness of the text should be comparable to the line work in the image.

The following example shows how the image should appear after you replace the old dimension text with new raster text created from vector dimension text.

Review the Changes to the Lock Plate
Named Views panel
View Manager
. Then expand the
Model Views node and select the view named
TU_lock_plate, click
Set Current, and click
OK.
This example shows how the lock plate and its dimension text should appear after you update them.
