Mueva un circuito a una nueva ubicación y actualice todos los componentes relacionados.
Cuando desplace un circuito, la mayoría de los componentes principales contenidos en él se volverá a etiquetar ya que el dibujo está configurado para el etiquetado de componentes basado en referencias. En el proceso de desplazamiento del circuito, se cambian las posiciones de referencia de los componentes desplazados. Los componentes secundarios relacionados se actualizan para coincidir con las nuevas etiquetas principales, incluidas las referencias en otros dibujos del proyecto.
Desplazamiento de la ubicación de un circuito

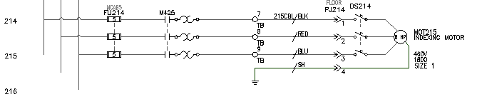
Este circuito tiene etiquetas de componente


. Buscar
Designar objetos:
Designe el circuito en una ventana en la referencia de línea 215 para capturar los puntos y el cable de conexión que lo unen al bus vertical y haga clic con el botón derecho

Pulse F9 para activar FORZCURSOR.
Precise un punto base o desplazamiento:
designe un punto base y, a continuación, un punto en la referencia de línea 214
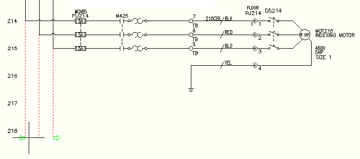
La circuitería se desplaza, los componentes afectados se vuelven a etiquetar y las referencias cruzadas se actualizan basándose en la nueva referencia de línea. Cada una de las etiquetas de componente principal indicadas disminuye en uno. Por ejemplo, el fusible FU215 se ha convertido en FU214.


Las referencia secundarias relacionadas en el dibujo activo se actualizan para coincidir con los componentes principales que se han vuelto a etiquetar recientemente.
Se actualizarán los componentes secundarios relacionados y las referencias de implantación física en otros dibujos para que coincidan con los componentes principales del circuito desplazado.


. Buscar
El cuadro de diálogo Navegar muestra tres referencias en el plano 2 y una referencia en el plano 9.
El navegador se dirige al dibujo de implantación física y amplía la representación física de este fusible tripolar. Observe que la representación física de la etiqueta del bloque de fusible se ha actualizado debido al desplazamiento del circuito.
Al desplazar el circuito de motor un espaciado de referencia de línea hacia arriba, se ha abierto un poco más de espacio para añadirle un nuevo circuito por debajo. El siguiente paso es extender el bus trifásico hacia abajo en la referencia de línea 218 y hacia la derecha para iniciar la generación de un nuevo circuito de motor.
Extensión del bus trifásico

. Buscar
Inserción automática/Captura/Zext<Designe cable que RECORTAR>:
Haga clic en los extremos inferiores de los tres cables libres y haga clic con el botón derecho

Puede insertar cables trifásicos verticales u horizontales. Los cables trifásicos se parten y vuelven a conectarse automáticamente a cualquier componente subyacente que encuentren en su ruta. Si se cruza con algún cable existente, se insertarán automáticamente espacios de intersección de cables.

. Buscar
Espaciado horizontal: 0.5
Espaciado vertical: 0.5
Empezando en: Otro bus (varios cables)
Número de cables: 3

Seleccione un cable existente para iniciar una conexión de bus multifásico:
Designe la esquina inferior del bus vertical del extremo izquierdo en la referencia de línea 214 como se muestra a continuación

Seleccione un cable existente con el que iniciar la conexión de bus multifásico
Desplace el cursor hacia la referencia de línea 218.
Los gráficos temporales muestran el enrutamiento propuesto del bus extendido.

Se insertarán en el dibujo los símbolos de punto de conexión de cables y de bus trifásico.
