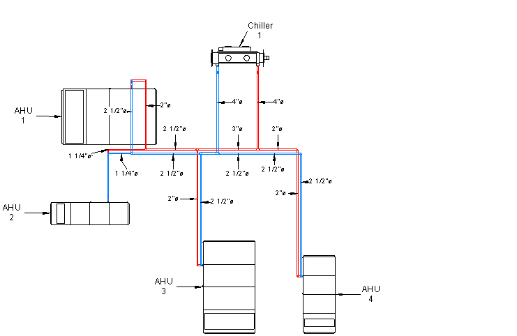
En las imágenes siguientes se muestran los resultados de los diferentes métodos de ajuste de tamaño de tuberías hidrónicas.

Antes de ajustar el tamaño

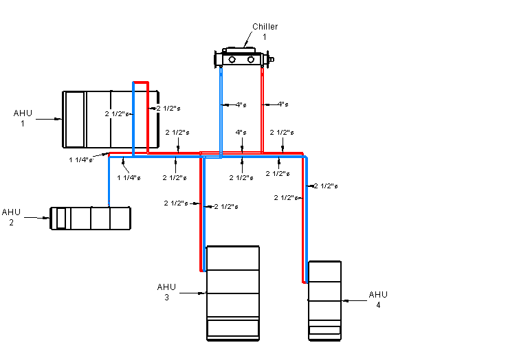
Después de ajustar el tamaño

Antes de ajustar el tamaño

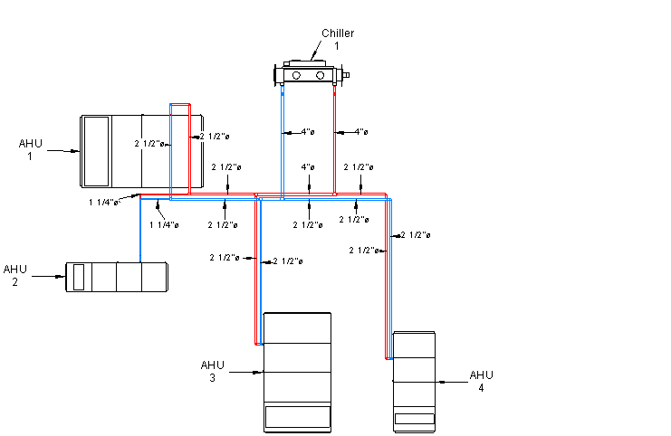
Después de ajustar el tamaño

Antes de ajustar el tamaño

Después de ajustar el tamaño

Antes de ajustar el tamaño

Después de ajustar el tamaño

Antes de ajustar el tamaño

Después de ajustar el tamaño