FAQ : comment les vues en coupe sont-elles automatiquement renumérotées dans un dessin ?

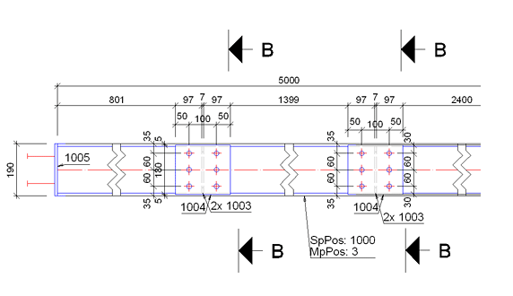
L'exemple suivant illustre une poutre qui a été créée avec une poutre secondaire attachée, puis un plan d'assemblage a été généré, dans lequel le nom de la coupe est A-A.

Modèle Dessin

Une deuxième poutre est attachée à la poutre principale, avec le même assemblage, et le plan d'assemblage a été mis à jour (Mettre à jour (imposé) dans le Gestionnaire de documents). Le nom B-B a été attribué aux deux coupes identiques.

Modèle Dessin

Pour que la renumérotation automatique ait lieu, la valeur par défaut "Les noms des coupes remplissent toujours les espaces" doit être activée (définie sur 1). Cette valeur se trouve dans les valeurs par défaut de Management Tools, dans la catégorie Dessins - Labels.

Si cette valeur par défaut est activée, la labellisation des vues en coupe commencera à partir du premier nom disponible et remplira les espaces possibles entre les noms de coupe existants.

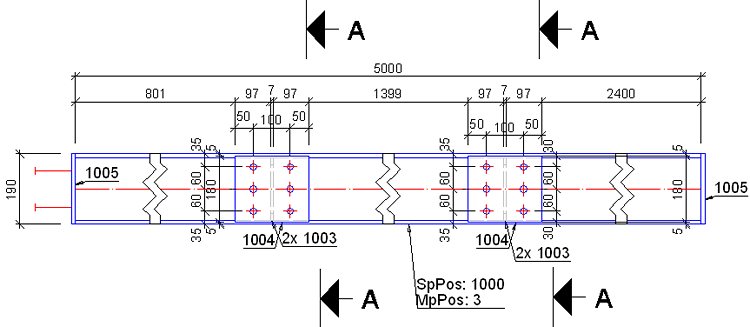
Dans cet exemple, une fois le plan d'assemblage mis à jour, les vues en coupe sont libellées avec A-A.

La commande Renuméroter les coupes (), dans l'onglet Cotations et Labels , le groupe de fonctions Vues paramétriques , a la même fonctionnalité que la commande par défaut, mais cette commande ne peut être utilisée que sur des dessins ouverts individuellement.