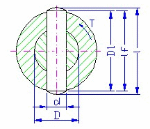
Valeurs recommandées :
d = (0.2 - 0.3) D
D 1 = (1.5 - 2) D - pour acier et acier moulé
D 1 = 2.5 D - pour fonte grise
Longueur active de broche
La longueur active de broche l f est la longueur réduite par le chanfrein et le congé de dent. La longueur active supporte généralement la charge.
Formules en unités métriques
Contrainte de pliage
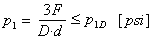
Pression dans la tige
Pression dans la chape
Contrainte de cisaillement
où :
|
F |
force [N] |
|
|
σ 0 |
contrainte de pliage [MPa] |
|
|
σ 0D |
contrainte de pliage admissible [MPa] |
|
|
M 0 |
moment de flexion [N mm] |
|
|
W 0 |
module de coupe de flexion [mm 3 ] |
|
| τ |
contrainte de cisaillement [MPa] |
|
|
τ D |
contrainte de cisaillement admissible [MPa] |
|
|
d |
diamètre de la broche [mm] |
|
|
p 1 |
pression dans la tige [MPa] |
|
|
p 2 |
pression dans la chape [MPa] |
|
|
p 1D |
pression admissible dans la tige [MPa] |
|
|
p 2D |
pression admissible dans la chape [MPa] |
|
|
b |
largeur de la tige [mm] |
|
|
a |
largeur du bras de chape [mm] |
|
|
D |
diamètre de l'arbre [mm] |
Formules en unités anglo-saxonnes
Contrainte de pliage
Pression dans la tige
Pression dans la chape
Contrainte de cisaillement
où :
|
F |
force [lb] |
|
|
σ 0 |
contrainte de pliage [psi] |
|
|
σ 0D |
contrainte de pliage admissible [psi] |
|
|
M 0 |
moment de flexion [ln ft] |
|
|
W 0 |
module de coupe de flexion [po 3 ] |
|
| τ |
contrainte de cisaillement [psi] |
|
|
τ D |
contrainte de cisaillement admissible [psi] |
|
|
d |
diamètre de la broche [po] |
|
|
p 1 |
pression dans la tige [psi] |
|
|
p 2 |
pression dans la chape [psi] |
|
|
p 1D |
pression admissible dans la tige [psi] |
|
|
p 2D |
pression admissible dans la chape [psi] |
|
|
b |
largeur de la tige [po] |
|
|
a |
largeur du bras de chape [po] |
|
|
D |
diamètre de l'arbre [po] |