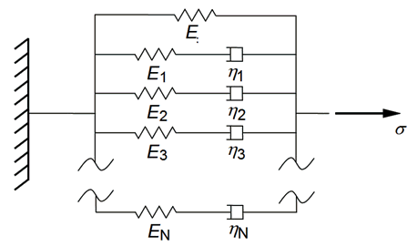
Viscoelastico

Il materiale Viscoelastico viene utilizzato solo nelle analisi non lineari. Dopo aver selezionato Viscoelastico dall'elenco a discesa Tipo, saranno disponibili le seguenti sezioni relative al materiale: Generale, Strutturale, Viscoelastico e Funzione dati sperimentali.