È possibile esaminare e modificare i valori dei parametri di quota per la forma di sezione degli elementi del telaio strutturale in acciaio lavorato a freddo.
Tali proprietà del tipo vengono create in base al parametro della categoria di famiglia Forma sezione dell'elemento.
| Forma di sezione | Parametri di quota della forma disponibili |
|---|---|
HSS rettangolare (acciaio lavorato a freddo)
![]() |
B. Larghezza: larghezza esterna della forma di sezione. H. Altezza: altezza esterna della forma di sezione. T. Spessore di progettazione parete: spessore perpendicolare di progettazione tra le superfici interna ed esterna di una forma di sezione. t. Spessore nominale parete: distanza perpendicolare media tra le superfici interna ed esterna della forma di sezione. r1. Raccordo interno: raggio del raccordo su angolo interno di una forma di sezione strutturale cava rettangolare. r2. Raccordo esterno: raggio del raccordo su angolo esterno di una forma di sezione strutturale cava rettangolare. y. Baricentro orizzontale: distanza tra il baricentro della forma di sezione e le estremità sinistre lungo l'asse orizzontale. z. Baricentro verticale: distanza tra il baricentro della forma di sezione e le estremità inferiori lungo l'asse verticale. |
HSS circolare (acciaio lavorato a freddo)
![]() |
D. Diametro: diametro esterno della forma di sezione circolare. T. Spessore di progettazione parete: spessore perpendicolare di progettazione tra le superfici interna ed esterna di una forma di sezione. t. Spessore nominale parete: distanza perpendicolare media tra le superfici interna ed esterna della forma di sezione. y. Baricentro orizzontale: distanza tra il baricentro della forma di sezione e le estremità sinistre lungo l'asse orizzontale. z. Baricentro verticale: distanza tra il baricentro della forma di sezione e le estremità inferiori lungo l'asse verticale. |
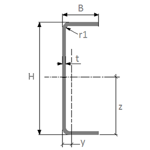
Profilato a C
![]() |
B. Larghezza: larghezza esterna della forma di sezione. H. Altezza: altezza esterna della forma di sezione. T. Spessore di progettazione parete: spessore perpendicolare di progettazione tra le superfici interna ed esterna di una forma di sezione. t. Spessore nominale parete: distanza perpendicolare media tra le superfici interna ed esterna della forma di sezione. r1. Raccordo interno: raggio del raccordo su angolo interno di una curvatura in una forma di sezione in acciaio lavorato a freddo. y. Baricentro orizzontale: distanza tra il baricentro della forma di sezione e le estremità sinistre lungo l'asse orizzontale. z. Baricentro verticale: distanza tra il baricentro della forma di sezione e le estremità inferiori lungo l'asse verticale. |
Profilato a C con piega
![]() |
B. Larghezza: larghezza esterna della forma di sezione. H. Altezza: altezza esterna della forma di sezione. h1. Lunghezza orlo: distanza tra la superficie esterna della forma di sezione e l'estremità del segmento dell'orlo. b1. Lunghezza piega: distanza tra la superficie esterna del segmento dell'orlo e l'estremità del segmento della piega. T. Spessore di progettazione parete: spessore perpendicolare di progettazione tra le superfici interna ed esterna di una forma di sezione. t. Spessore nominale parete: distanza perpendicolare media tra le superfici interna ed esterna della forma di sezione. r1. Raccordo interno: raggio del raccordo su angolo interno di una curvatura in una forma di sezione in acciaio lavorato a freddo. y. Baricentro orizzontale: distanza tra il baricentro della forma di sezione e le estremità sinistre lungo l'asse orizzontale. z. Baricentro verticale: distanza tra il baricentro della forma di sezione e le estremità inferiori lungo l'asse verticale. |
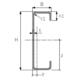
Profilato a C con orli
![]() |
B. Larghezza: larghezza esterna della forma di sezione. H. Altezza: altezza esterna della forma di sezione. h1. Lunghezza orlo: distanza tra la superficie esterna della forma di sezione e l'estremità del segmento dell'orlo. T. Spessore di progettazione parete: spessore perpendicolare di progettazione tra le superfici interna ed esterna di una forma di sezione. t. Spessore nominale parete: distanza perpendicolare media tra le superfici interna ed esterna della forma di sezione. r1. Raccordo interno: raggio del raccordo su angolo interno di una curvatura in una forma di sezione in acciaio lavorato a freddo. y. Baricentro orizzontale: distanza tra il baricentro della forma di sezione e le estremità sinistre lungo l'asse orizzontale. z. Baricentro verticale: distanza tra il baricentro della forma di sezione e le estremità inferiori lungo l'asse verticale. |
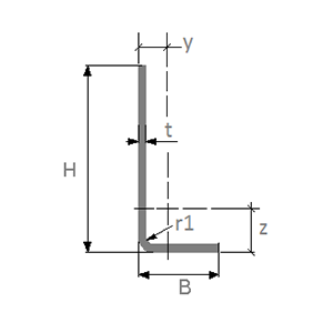
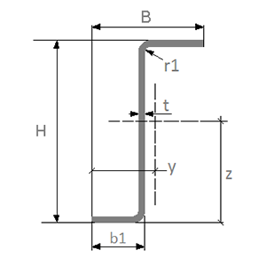
Profilato a L
![]() |
B. Larghezza: larghezza esterna della forma di sezione. H. Altezza: altezza esterna della forma di sezione. T. Spessore di progettazione parete: spessore perpendicolare di progettazione tra le superfici interna ed esterna di una forma di sezione. t. Spessore nominale parete: distanza perpendicolare media tra le superfici interna ed esterna della forma di sezione. r1. Raccordo interno: raggio del raccordo su angolo interno di una curvatura in una forma di sezione in acciaio lavorato a freddo. y. Baricentro orizzontale: distanza tra il baricentro della forma di sezione e le estremità sinistre lungo l'asse orizzontale. z. Baricentro verticale: distanza tra il baricentro della forma di sezione e le estremità inferiori lungo l'asse verticale. |
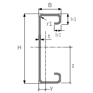
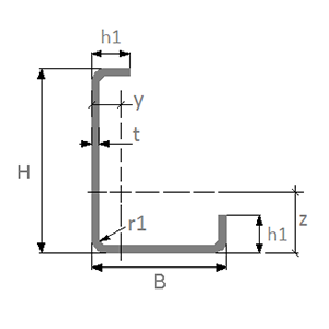
Profilato a L con orli
![]() |
B. Larghezza: larghezza esterna della forma di sezione. H. Altezza: altezza esterna della forma di sezione. h1. Lunghezza orlo: distanza tra la superficie esterna della forma di sezione e l'estremità del segmento dell'orlo. T. Spessore di progettazione parete: spessore perpendicolare di progettazione tra le superfici interna ed esterna di una forma di sezione. t. Spessore nominale parete: distanza perpendicolare media tra le superfici interna ed esterna della forma di sezione. r1. Raccordo interno: raggio del raccordo su angolo interno di una curvatura in una forma di sezione in acciaio lavorato a freddo. y. Baricentro orizzontale: distanza tra il baricentro della forma di sezione e le estremità sinistre lungo l'asse orizzontale. z. Baricentro verticale: distanza tra il baricentro della forma di sezione e le estremità inferiori lungo l'asse verticale. |
Profilato a sigma
![]() |
B. Larghezza: larghezza esterna della forma di sezione. H. Altezza: altezza esterna della forma di sezione. b2. Larghezza curvatura: distanza tra le estremità sinistre della forma di sezione e la superficie esterna del segmento di curvatura centrale. h2. Lunghezza curvatura centrale: lunghezza della superficie interna del segmento di curvatura centrale. h3. Lunghezza curvatura superiore: distanza tra la superficie esterna della parte superiore della forma di sezione e l'estremità del segmento di curvatura superiore. T. Spessore di progettazione parete: spessore perpendicolare di progettazione tra le superfici interna ed esterna di una forma di sezione. t. Spessore nominale parete: distanza perpendicolare media tra le superfici interna ed esterna della forma di sezione. r1. Raccordo interno: raggio del raccordo su angolo interno di una curvatura in una forma di sezione in acciaio lavorato a freddo. y. Baricentro orizzontale: distanza tra il baricentro della forma di sezione e le estremità sinistre lungo l'asse orizzontale. z. Baricentro verticale: distanza tra il baricentro della forma di sezione e le estremità inferiori lungo l'asse verticale. |
Profilato a sigma con piega
![]() |
B. Larghezza: larghezza esterna della forma di sezione. H. Altezza: altezza esterna della forma di sezione. b1. Lunghezza piega: distanza tra la superficie esterna del segmento dell'orlo e l'estremità del segmento della piega. h1. Lunghezza orlo: distanza tra la superficie esterna della forma di sezione e l'estremità del segmento dell'orlo. b2. Larghezza curvatura: distanza tra le estremità sinistre della forma di sezione e la superficie esterna del segmento di curvatura centrale. h2. Lunghezza curvatura centrale: lunghezza della superficie interna del segmento di curvatura centrale. h3. Lunghezza curvatura superiore: distanza tra la superficie esterna della parte superiore della forma di sezione e l'estremità del segmento di curvatura superiore. T. Spessore di progettazione parete: spessore perpendicolare di progettazione tra le superfici interna ed esterna di una forma di sezione. t. Spessore nominale parete: distanza perpendicolare media tra le superfici interna ed esterna della forma di sezione. r1. Raccordo interno: raggio del raccordo su angolo interno di una curvatura in una forma di sezione in acciaio lavorato a freddo. y. Baricentro orizzontale: distanza tra il baricentro della forma di sezione e le estremità sinistre lungo l'asse orizzontale. z. Baricentro verticale: distanza tra il baricentro della forma di sezione e le estremità inferiori lungo l'asse verticale. |
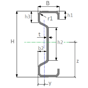
Profilato a sigma con orli
![]() |
B. Larghezza: larghezza esterna della forma di sezione. H. Altezza: altezza esterna della forma di sezione. b2. Larghezza curvatura: distanza tra le estremità sinistre della forma di sezione e la superficie esterna del segmento di curvatura centrale. h1. Lunghezza orlo: distanza tra la superficie esterna della forma di sezione e l'estremità del segmento dell'orlo. h2. Lunghezza curvatura centrale: lunghezza della superficie interna del segmento di curvatura centrale. h3. Lunghezza curvatura superiore: distanza tra la superficie esterna della parte superiore della forma di sezione e l'estremità del segmento di curvatura superiore. T. Spessore di progettazione parete: spessore perpendicolare di progettazione tra le superfici interna ed esterna di una forma di sezione. t. Spessore nominale parete: distanza perpendicolare media tra le superfici interna ed esterna della forma di sezione. r1. Raccordo interno: raggio del raccordo su angolo interno di una curvatura in una forma di sezione in acciaio lavorato a freddo. y. Baricentro orizzontale: distanza tra il baricentro della forma di sezione e le estremità sinistre lungo l'asse orizzontale. z. Baricentro verticale: distanza tra il baricentro della forma di sezione e le estremità inferiori lungo l'asse verticale. |
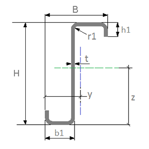
Profilato a Z
![]() |
B. Larghezza: larghezza esterna della forma di sezione. H. Altezza: altezza esterna della forma di sezione. b1. Lunghezza ala inferiore: distanza tra la superficie interna della forma di sezione e l'estremità del segmento di ala inferiore. T. Spessore di progettazione parete: spessore perpendicolare di progettazione tra le superfici interna ed esterna di una forma di sezione. t. Spessore nominale parete: distanza perpendicolare media tra le superfici interna ed esterna della forma di sezione. r1. Raccordo interno: raggio del raccordo su angolo interno di una curvatura in una forma di sezione in acciaio lavorato a freddo. y. Baricentro orizzontale: distanza tra il baricentro della forma di sezione e le estremità sinistre lungo l'asse orizzontale. z. Baricentro verticale: distanza tra il baricentro della forma di sezione e le estremità inferiori lungo l'asse verticale. |
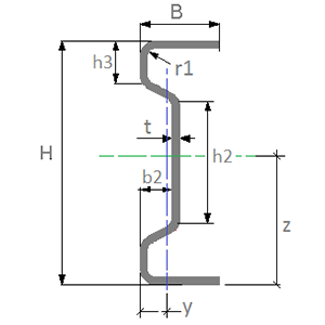
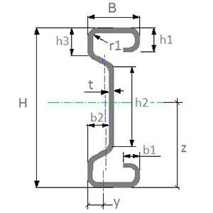
Profilato a Z con orli
![]() |
B. Larghezza: larghezza esterna della forma di sezione. H. Altezza: altezza esterna della forma di sezione. b1. Lunghezza ala inferiore: distanza tra la superficie interna della forma di sezione e l'estremità del segmento di ala inferiore. h1. Lunghezza orlo: distanza tra la superficie esterna della forma di sezione e l'estremità del segmento dell'orlo. T. Spessore di progettazione parete: spessore perpendicolare di progettazione tra le superfici interna ed esterna di una forma di sezione. t. Spessore nominale parete: distanza perpendicolare media tra le superfici interna ed esterna della forma di sezione. r1. Raccordo interno: raggio del raccordo su angolo interno di una curvatura in una forma di sezione in acciaio lavorato a freddo. y. Baricentro orizzontale: distanza tra il baricentro della forma di sezione e le estremità sinistre lungo l'asse orizzontale. z. Baricentro verticale: distanza tra il baricentro della forma di sezione e le estremità inferiori lungo l'asse verticale. |