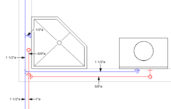
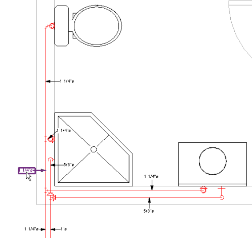
給排水衛生設備配管システムのサイズ設定の例
次の図は、さまざまな配管のサイズ設定方法の結果を示しています。
摩擦と速度
サイズ設定前
サイズ設定後
摩擦のみ
サイズ設定前
サイズ設定後
摩擦と速度 - 大きい分岐
サイズ設定前
サイズ設定後
摩擦と速度 - コネクタサイズの一致
サイズ設定前
サイズ設定後
速度のみ
サイズ設定前
サイズ設定後
システム検査
単一配管
流れの図
親トピック:
配管のサイズ設定の例
関連概念
器具給水負荷単位からフロー(GPM: Gallon Per Minuit)への変換
配管システムのプロパティ
配管インスタンス プロパティ
配管のサイズ設定方法