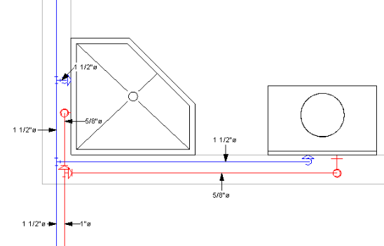
위생기구 시스템 크기 조정 예
다음 이미지는 다양한 파이프 크기 조정 방법의 결과를 나타냅니다.
마찰과 속도
크기 조정 전
크기 조정 후
마찰만
크기 조정 전
크기 조정 후
마찰과 속도 - 더 큰 분기
크기 조정 전
크기 조정 후
마찰과 속도 - 커넥터 크기 일치
크기 조정 전
크기 조정 후
속도만
크기 조정 전
크기 조정 후
시스템 조사기
단일 파이프
흐름 다이어그램
상위 주제:
파이프 크기 조정 예
관련 개념
설비 단위를 흐름(GPM)으로 변환
배관 시스템 특성
파이프 인스턴스(instance) 특성
파이프 크기 조정 방법