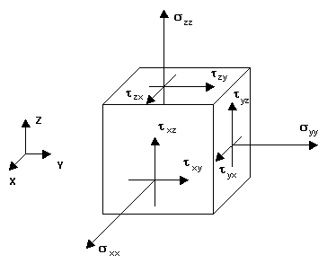
Konstrukcje objętościowe w programie Robot są modelowane przy użyciu elementów skończonych objętościowych izoparametrycznych z aproksymacją pola przemieszczeń funkcjami kształtu 1. rzędu. Konwencja znakowania dla elementów objętościowych jest schematycznie przedstawiona na poniższym rysunku. Konwencję pokazano dla naprężeń; naprężenia pokazane na rysunku mają dodatnie znaki.
