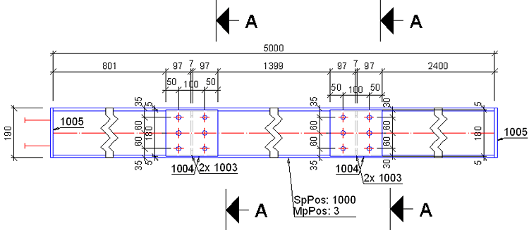
The following example shows a beam that has been created with a secondary beam attached to it, and then an assembly drawing was generated, in which the section cut name is A-A.
| Model | Drawing |
|---|---|
|
|
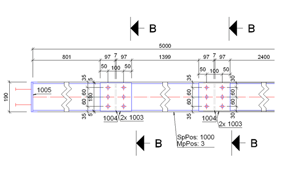
A second beam is attached to the primary beam, with the same joint and the assembly drawing was updated (Force update, in the Document Manager). The 2 identical sections were given the name B-B.
| Model | Drawing |
|---|---|
|
|
For the automatic renumbering to take place the "Cut view names always fill the gaps" default must be activated (set to 1). This default is located in the Management Tools Defaults, in the Drawing-Labeling category.
If this default is activated then the section cut views labeling will start from the first available name and will fill the possible gaps between already existing cut names.
In this example, after updating the assembly drawing, the cut view sections are labeled with A-A.
The Renumber cut views command (
), on the
Labels & Dimensions
tab,
Parametric views
panel, has the same functionality as the default, but this command can only be used on individually opened drawings.