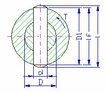
Valores recomendados:
d = (0,2 -0,3) D
D 1 = (1,5 - 2) D - para aço e aço fundido
D 1 = 2,5 D - para ferro fundido cinza
Comprimento ativo do pino
O comprimento ativo do pino l f diminui com os chanfros e as concordâncias e costuma suportar a carga. e costuma suportar a carga.
Fórmulas em unidades métricas
Tensão de vergadura
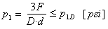
Pressão na vareta
Pressão no clevis
Tensão de corte
onde:
| 
 F  | 
 força [N]  | 
|
| 
 σ 0  | 
 tensão de dobra [MPa]  | 
|
| 
 σ 0D  | 
 tensão de dobra suportada [MPa]  | 
|
| 
 M 0  | 
 momento de dobra[N mm]  | 
|
| 
 W 0  | 
 módulo da seção de dobra [mm 3 ]  | 
|
| τ | 
 tensão de corte [MPa]  | 
|
| 
 τ D  | 
 tensão de corte suportada [MPa]  | 
|
| 
 d  | 
 diâmetro do pino [mm]  | 
|
| 
 p 1  | 
 pressão na vareta [MPa]  | 
|
| 
 p 2  | 
 pressão no clevis [MPa]  | 
|
| 
 p 1D  | 
 pressão suportada na vareta [MPa]  | 
|
| 
 p 2D  | 
 pressão suportada no clevis [MPa]  | 
|
| 
 b  | 
 largura da vareta [mm]  | 
|
| 
 a  | 
 largura do braço do clevis [mm]  | 
|
| 
 D  | 
 diâmetro do eixo [mm]  | 
Fórmulas em unidades imperiais
Tensão de vergadura
Pressão na vareta
Pressão no clevis
Tensão de corte
onde:
| 
 F  | 
 força [libras]  | 
|
| 
 σ 0  | 
 tensão de dobra [psi]  | 
|
| 
 σ 0D  | 
 tensão de vergadura suportada [psi]  | 
|
| 
 M 0  | 
 momento de dobra [polegadas pés]  | 
|
| 
 W 0  | 
 módulo da seção de vergadura [pol 3 ]  | 
|
| τ | 
 tensão de corte [psi]  | 
|
| 
 τ D  | 
 tensão de corte suportada [psi]  | 
|
| 
 d  | 
 diâmetro do pino [pol]  | 
|
| 
 p 1  | 
 pressão na vareta [psi]  | 
|
| 
 p 2  | 
 pressão no clevis [psi]  | 
|
| 
 p 1D  | 
 pressão suportada na vareta [psi]  | 
|
| 
 p 2D  | 
 pressão suportada no clevis [psi]  | 
|
| 
 b  | 
 largura da vareta [pol]  | 
|
| 
 a  | 
 largura do braço do clevis [pol]  | 
|
| 
 D  | 
 diâmetro do eixo [pol]  |