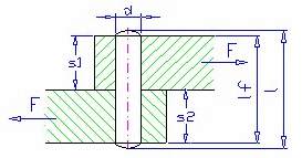
Comprimento ativo do pino
O comprimento ativo do pino l f diminui com os chanfros e as concordâncias e costuma suportar a carga. e costuma suportar a carga.
Fórmulas
Verificação de tensão de cisalhamento
Verificação de pressão de contato
Interpretações de símbolos em unidades métricas:
| τ | 
 tensão de corte [MPa]  | 
| 
 τ A  | 
 tensão de corte suportada [MPa]  | 
| 
 d  | 
 diâmetro do pino [mm]  | 
| 
 p 1  | 
 pressão no quadro superior [MPa]  | 
| 
 p 2  | 
 pressão no quadro inferior [MPa]  | 
| 
 p 1A  | 
 pressão suportada no quadro superior [MPa]  | 
| 
 p 2A  | 
 pressão suportada no quadro inferior [MPa]  | 
| 
 s 1  | 
 espessura do quadro superior [mm]  | 
| 
 s 2  | 
 espessura do quadro inferior [mm]  | 
Interpretação de símbolos em unidades imperiais:
| τ | 
 tensão de cisalhamento [psi]  | 
| 
 τ A  | 
 tensão de cisalhamento suportada [psi]  | 
| 
 d  | 
 diâmetro do pino [pol]  | 
| 
 p 1  | 
 pressão no quadro superior [psi]  | 
| 
 p 2  | 
 pressão no quadro inferior [psi]  | 
| 
 p 1A  | 
 pressão suportada no quadro superior [psi]  | 
| 
 p 2A  | 
 pressão suportada no quadro inferior [psi]  | 
| 
 s 1  | 
 espessura do quadro superior [mm]  | 
| 
 s 2  | 
 espessura do quadro inferior [mm]  |