O módulo para projeto de paredes de CA permite definir os seguintes tipos de cargas aplicadas à parede:
As cargas uniformes e as cargas planas transformadas em cargas uniformes são distribuídas dependendo de uma distância do nível onde foram aplicadas. Considera-se que, no caso de uma forma arbitrária de uma carga, sua distribuição ao longo da altura da parede resulta em uma carga distribuída de forma uniforme.
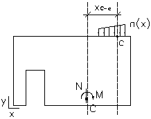
O desenho a seguir apresenta um padrão de distribuição de cargas gravitacionais ao longo da altura da parede.

O ângulo q depende do fato de a parede ser reforçada. É expresso por um valor da função trigonométrica:
Se houver aberturas na parede, é considerado que as cargas do lintel de abertura são carregadas pelas zonas adjacentes às arestas de abertura. A distribuição de cargas depende da posição da carga em relação às arestas verticais da abertura. A largura de distribuição de uma carga do lintel (largura das zonas na abertura) é considerada igual ao menor dos dois valores: metade da largura da abertura e espessura dupla de uma parede.
Uma abordagem desse tipo permite ter em conta as concentrações de tensão. Por exemplo, como em zonas adjacentes a janelas ou entre janelas.
O módulo de parede de CA permite definir cargas que se repetem em andares sucessivos (mais altos do que a parede considerada) de uma estrutura. Por exemplo, se as cargas do piso suportado na parede forem as mesmas em todos os andares acima, será possível inserir um número de andares idênticos acima do andar considerado no campo Número de andares acima, na caixa de diálogo para a definição de carga.
Nesse caso de carga em série, considera-se que a distribuição de cargas transferidas de andares superiores para a parede projetada é uniforme ao longo do comprimento do vão.
O método de cálculo de tensões de cargas uniformes é ilustrado pelas fórmulas abaixo:
γ(x) = p(x) / a(x)
em que:
γ(x) – valor de tensão no ponto x
p(x) – valor de uma carga distribuída (de uma forma arbitrária)
a(x) – espessura da parede
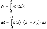
As cargas reduzidas são cargas transferidas para toda a estrutura, com base na suposição de que a construção funciona como um balanço rígido. Considera-se que as cargas reduzidas são aplicadas na base de um determinado andar (no centro de gravidade da seção da base da parede e levando em conta as aberturas). As cargas reduzidas podem ser definidas pelo usuário diretamente no módulo da parede.
O método de cálculo de tensões de cargas reduzidas é ilustrado pelas fórmulas abaixo:
γ(N) = N / Atot
em que:
Atot – área total da seção transversal de uma estrutura (aberturas consideradas) no nível i
em que:
Itot – momento de inércia da seção inferior da parede (aberturas consideradas) no nível i
ytot – distância do ponto considerado desde o centro de gravidade da seção da base da parede (aberturas consideradas) no nível i
em que:
amín – espessura da parede
Lmín – comprimento da estrutura
Ao usar o método clássico BAEL ou selecionar a norma ACI, e também nos cálculos de cisalhamento e de deslizamento de acordo com o método simplificado BAEL, as cargas lineares aplicadas em qualquer nível da parede são transformadas no sistema N-M de cargas reduzidas na seção através da base da parede. As cargas são reduzidas conforme mostrado no desenho a seguir.

em que:
