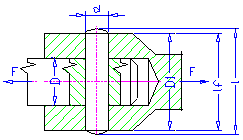
Рекомендуемые значения:
d = (0,2 -0,3) D
D 1 = (1,5 - 2) D - для обычной и литой стали
D 1 = 2,5 D - для серого чугуна
Активная длина штифта
Активная длина штифта l f - это длина, уменьшенная в результате снятия фасок и сопряжения. Активная длина, как правило, принимает на себя всю нагрузку.
Формулы
Проверка напряжения сдвига
Проверка контактного давления
Интерпретация символов в метрических единицах:
| τ |
напряжение среза [MПa]. |
|
τ A |
допустимое напряжение среза [MПa]. |
|
d |
диаметр штифта [мм]. |
|
p 1 |
давление в стержне [МПа]. |
|
p 2 |
давление в муфте [МПа]. |
|
p 1A |
допустимое давление в муфте [МПа]. |
|
p 2A |
допустимое давление в стержне [МПа]. |
|
D |
диаметр стержня [мм]. |
|
D 1 |
диаметр муфты [мм]. |
Интерпретация символов в британских единицах:
| τ |
напряжение среза [фунт/кв.дюйм] |
|
τ A |
допустимое напряжение среза [фунт/кв.дюйм] |
|
d |
диаметр штифта [д] |
|
p 1 |
давление в стержне [фунт/кв.дюйм] |
|
p 2 |
давление в муфте [фунт/кв.дюйм] |
|
p 1A |
допустимое давление в муфте [фунт/кв.дюйм] |
|
p 2A |
допустимое давление в стержне [фунт/кв.дюйм] |
|
D |
диаметр стержня [д] |
|
D 1 |
диаметр муфты [д] |