Ознакомьтесь с последними усовершенствованиями среды «Эскиз».

При копировании и вставке эскизной геометрии и эскизных блоков место вставки определяется по местоположению курсора. В местоположении курсора размещается центр набора объектов.

В средах детали и сборки теперь имеется возможность выбора рамкой при проецировании геометрии объектов на эскиз.
Для выбора рамкой поддерживается следующая геометрия:
Обратите внимание, что выбор рамкой может привести к дублированию проекции геометрических объектов эскиза, вызвав проблемы в процессе проектирования. Во избежание непредвиденного проецирования рекомендуется отключить видимость эскиза или тела.
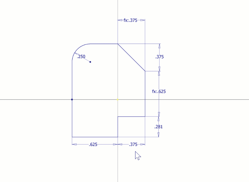
Размеры эскиза теперь остаются на своих позициях относительно геометрии, с которой они связаны.

Дополнительные сведения см. в разделе Создание и редактирование эскизов.