Таблица для сборки называется спецификацией. Она содержит компоненты/подсборки, используемые в сборке.
Вы можете создать спецификацию, как описано ниже, а если у вас установлено приложение Microsoft Excel, вы можете создать Встроенную спецификацию.
Чтобы создать таблицу для сборки:
- Убедитесь, что опция Использовать лист Excel для создания таблицы на странице Таблицы в ветке ЧерчениеDraftingПараметры отключена.
- Откройте вкладку Примечание > панель Таблица > Отверстие.
- В диалоге Параметры таблицы выберите опцию Сборка.
Если в модели две и более сборок, выберите сборку, для которой требуется создать таблицу с помощью диалога Доступные сборки:
- Нажмите кнопку OK.
Если сборка находится в активном чертёжном виде, компонентам присваиваются метки в таблице, а выноски с помощью этих меток маркируют компоненты чертёжного вида. Форму выносок можно выбрать на странице Выноски в диалоге Параметры.
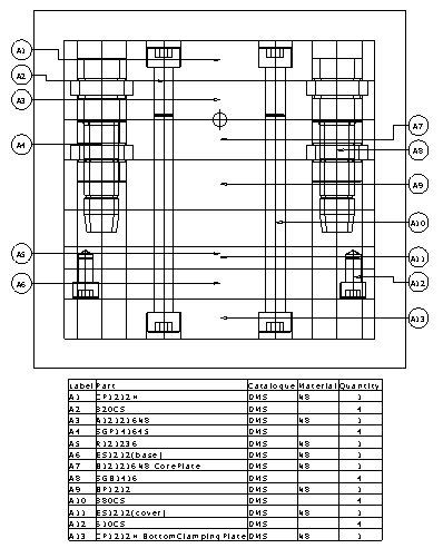
В активном виде содержится следующая сборка:
Для неё создается следующая таблица:
Таблица группирует все компоненты с одним определителем.
Таблица может содержать следующие столбцы:
- Метка - используется в выноске для маркировки компонента.
- Деталь - имя компонента, используемое для задания компонента.
- Каталог - имя каталога, в случае, если компонент выбирается из каталога Toolmaker. Если имя каталога отсутствует, компонент считается пользовательским. Если компонент был изменен, имя его каталога будет отмечено звездочкой.
- Материал - материал компонента.
- Количество - число компонентов, заданных из одного компонента.
Совет: Если созданная таблица пустая и в чертеж не добавлены выноски, используйте контекстное меню, чтобы проверить, что вид является Активным.