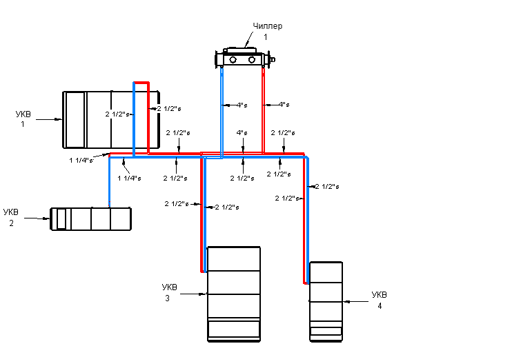
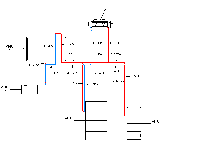
Примеры определения размеров жидкостных систем

На следующих рисунках показаны результаты применения различных способов определения размеров водопроводов.

Только по трению

До определения размеров

После определения размеров

Только по скорости

До определения размеров

После определения размеров

По трению и скорости

До определения размеров

После определения размеров

Размер соединителя или расчетный размер (большее из указанных значений)

До определения размеров

После определения размеров

Согласование соединителя с размером трубы

До определения размеров

После определения размеров