Размер формы сечения стальных конструкций (других)

Просматривайте и изменяйте значения параметров размера формы сечения элементов других стальных несущих конструкций.

Эти свойства типа создаются на основе параметра категории семейства форм сечения элемента.

Форма сечения Доступные параметры размеров формы
Стержень прямоугольного сечения

B. Ширина: наружная ширина формы сечения.

H. Высота: наружная высота формы сечения.

y. Горизонтальный центроид: расстояние от центроида формы сечения до левого края по горизонтальной оси.

z. Вертикальный центроид: расстояние от центроида формы сечения до нижнего края по вертикальной оси.

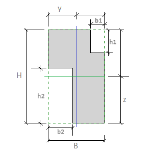
Прямоугольный вырез

B. Ширина: наружная ширина формы сечения.

H. Высота: наружная высота формы сечения.

h1. Высота верхней секущей: высота верхней секущей в прямоугольном вырезе формы сечения.

b1. Ширина верхней секущей: ширина верхней секущей в прямоугольном вырезе формы сечения.

h2. Высота нижней секущей: высота нижней секущей в прямоугольном вырезе формы сечения.

b2. Ширина нижней секущей: ширина нижней секущей в прямоугольном вырезе формы сечения.

y. Горизонтальный центроид: расстояние от центроида формы сечения до левого края по горизонтальной оси.

z. Вертикальный центроид: расстояние от центроида формы сечения до нижнего края по вертикальной оси.

Стержень круглого сечения

D. Диаметр: внешний диаметр формы круглого сечения.

y. Горизонтальный центроид: расстояние от центроида формы сечения до левого края по горизонтальной оси.

z. Вертикальный центроид: расстояние от центроида формы сечения до нижнего края по вертикальной оси.

Тавр

B. Ширина: наружная ширина формы сечения.

H. Высота: наружная высота формы сечения.

h1. Высота консоли: высота полки консоли в форме сечения.

b1. Длина консоли: длина полки консоли в форме сечения.

y. Горизонтальный центроид: расстояние от центроида формы сечения до левого края по горизонтальной оси.

z. Вертикальный центроид: расстояние от центроида формы сечения до нижнего края по вертикальной оси.

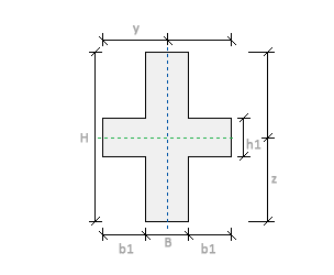
Крестообразный

B. Ширина: наружная ширина формы сечения.

H. Высота: наружная высота формы сечения.

h1. Высота консоли: высота полки консоли в форме сечения.

b1. Длина консоли: длина полки консоли в форме сечения.

y. Горизонтальный центроид: расстояние от центроида формы сечения до левого края по горизонтальной оси.

z. Вертикальный центроид: расстояние от центроида формы сечения до нижнего края по вертикальной оси.

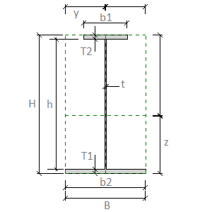
Двутавровая сварная (перфорированная и сварная сталь)

B. Ширина: наружная ширина формы сечения.

H. Высота: наружная высота формы сечения.

T2. Толщина верхней полки: расстояние между наружными поверхностями верхней полки в форме сечения перфорированного или сварного элемента.

b1. Ширина верхней полки: наружная ширина верхней полки в форме сечения перфорированного или сварного элемента.

T1. Толщина нижней полки: расстояние между наружными поверхностями нижней полки в форме сечения перфорированного или сварного элемента.

b2. Ширина нижней полки: наружная ширина нижней полки в форме сечения перфорированного или сварного элемента.

t. Толщина ребра жесткости: расстояние между наружными поверхностями ребра жесткости в форме сечения.

h. Высота ребра жесткости: расстояние вдоль ребра жесткости между полками в форме сечения.

y. Горизонтальный центроид: расстояние от центроида формы сечения до левого края по горизонтальной оси.

z. Вертикальный центроид: расстояние от центроида формы сечения до нижнего края по вертикальной оси.