草图增强功能

了解草图环境的最新增强功能。

草图名称显示在“选择其他”结果中

使用“选择其他”时,结果中列出的草图对象包括使用它们的草图名称。此功能在零件、部件和三维草图中可用。

Inventor® Ideas 提交

Inventor® Ideas 提交

“粘贴草图几何图元”使用光标位置

当您复制并粘贴草图几何图元和草图块时,粘贴位置与光标位置相对应。选择集的中心将放置在光标位置。

窗选投影对象

在零件和部件环境中,现在可以在将对象的几何图元投影到草图时进行窗选。

窗选支持以下几何图元:

请注意,窗选会导致重复投影草图几何图元,这可能会导致设计过程中出现问题。我们建议关闭草图或实体的可见性,以避免意外投影。

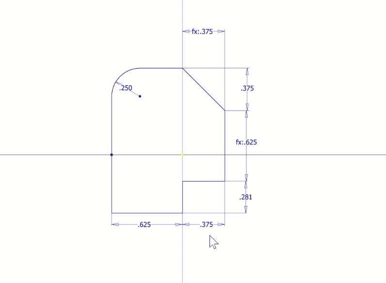
稳定草图尺寸放置

草图尺寸现在保留在相对于与其关联的几何图元的放置位置。

Inventor® Ideas 提交

Inventor® Ideas 提交

有关详细信息,请参见创建和编辑草图的步骤