檢閱並修改熱軋鋼結構框架元素的剖面造型標註參數值。
這些類型性質是從元素的「剖面造型」族群品類參數所建立。
| 剖面造型 | 可用的造型標註參數 |
|---|---|
管標準
![]() |
D. 直徑:外部直徑的圓形剖面造型。 T. 牆設計厚度:剖面造型之內部與外部表面間的垂直設計厚度。 t. 牆標稱厚度:剖面造型之內部與外部表面間的平均垂直距離。 y. 水平距心:剖面造型距心與水平軸左端點間的距離。 z. 垂直距心:剖面造型距心與垂直軸下端點間的距離。 |
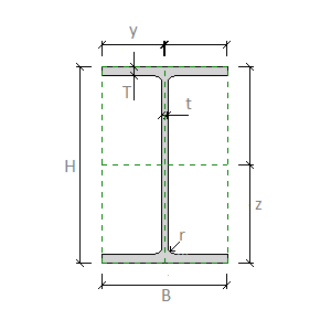
I 型平行翼板
![]() |
B. 寬度:剖面造型的外部寬度。 H. 高度:剖面造型的外部高度。 T. 凸緣厚度:剖面造型中凸緣外部表面間的距離。 t. 腹板厚度:剖面造型中腹板外部表面間的距離。 r. 腹板圓角:腹板和凸緣間圓角的半徑。 y. 水平距心:剖面造型距心與水平軸左端點間的距離。 z. 垂直距心:剖面造型距心與垂直軸下端點間的距離。 |
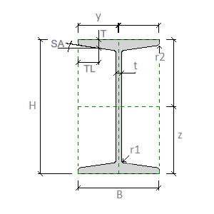
I 型斜翼板
![]() |
B. 寬度:剖面造型的外部寬度。 H. 高度:剖面造型的外部高度。 T. 凸緣厚度:剖面造型中凸緣外部表面間的距離。 TL.凸緣厚度位置:從斜凸緣的端點到凸緣厚度測量位置的距離。 SA.斜凸緣角度:剖面造型中斜凸緣平面與水平平面之間的角度。 t. 腹板厚度:剖面造型中腹板外部表面間的距離。 r1. 腹板圓角:腹板和凸緣間圓角的半徑。 r2. 凸緣圓角:剖面造型中凸緣尾端圓角的半徑。 y. 水平距心:剖面造型距心與水平軸左端點間的距離。 z. 垂直距心:剖面造型距心與垂直軸下端點間的距離。 |
I 型寬翼板
![]() |
B. 寬度:剖面造型的外部寬度。 H. 高度:剖面造型的外部高度。 T. 凸緣厚度:剖面造型中凸緣外部表面間的距離。 t. 腹板厚度:剖面造型中腹板外部表面間的距離。 r. 腹板圓角:腹板和凸緣間圓角的半徑。 y. 水平距心:剖面造型距心與水平軸左端點間的距離。 z. 垂直距心:剖面造型距心與垂直軸下端點間的距離。 |
C 型凹槽平行翼板
![]() |
B. 寬度:剖面造型的外部寬度。 H. 高度:剖面造型的外部高度。 T. 凸緣厚度:剖面造型中凸緣外部表面間的距離。 t. 腹板厚度:剖面造型中腹板外部表面間的距離。 r. 腹板圓角:腹板和凸緣間圓角的半徑。 y. 水平距心:剖面造型距心與水平軸左端點間的距離。 z. 垂直距心:剖面造型距心與垂直軸下端點間的距離。 |
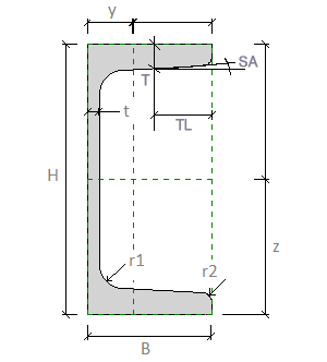
C 型凹槽斜凸緣
![]() |
B. 寬度:剖面造型的外部寬度。 H. 高度:剖面造型的外部高度。 T. 凸緣厚度:剖面造型中凸緣外部表面間的距離。 TL.凸緣厚度位置:從斜凸緣的端點到凸緣厚度測量位置的距離。 SA.斜凸緣角度:剖面造型中斜凸緣平面與水平平面之間的角度。 t. 腹板厚度:剖面造型中腹板外部表面間的距離。 r1. 腹板圓角:腹板和凸緣間圓角的半徑。 r2. 凸緣圓角:剖面造型中凸緣尾端圓角的半徑。 y. 水平距心:剖面造型距心與水平軸左端點間的距離。 z. 垂直距心:剖面造型距心與垂直軸下端點間的距離。 |
L 角度
![]() |
B. 寬度:剖面造型的外部寬度。 H. 高度:剖面造型的外部高度。 T. 凸緣厚度:剖面造型中凸緣外部表面間的距離。 t. 腹板厚度:剖面造型中腹板外部表面間的距離。 r1. 腹板圓角:腹板和凸緣間圓角的半徑。 r2. 凸緣圓角:剖面造型中凸緣尾端圓角的半徑。 r3.頂部腹板圓角:剖面造型中腹板頂端圓角的半徑。 y. 水平距心:剖面造型距心與水平軸左端點間的距離。 z. 垂直距心:剖面造型距心與垂直軸下端點間的距離。 alpha. 主軸角度:主軸和斷面參考平面間的旋轉角度。此會列示做為結構分析的族群參數。 |
I 分割平行凸緣
![]() |
B. 寬度:剖面造型的外部寬度。 H. 高度:剖面造型的外部高度。 T. 凸緣厚度:剖面造型中凸緣外部表面間的距離。 t. 腹板厚度:剖面造型中腹板外部表面間的距離。 r. 腹板圓角:腹板和凸緣間圓角的半徑。 y. 水平距心:剖面造型距心與水平軸左端點間的距離。 z. 垂直距心:剖面造型距心與垂直軸下端點間的距離。 |
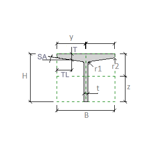
I 分割斜翼板
![]() |
B. 寬度:剖面造型的外部寬度。 H. 高度:剖面造型的外部高度。 T. 凸緣厚度:剖面造型中凸緣外部表面間的距離。 TL.凸緣厚度位置:從斜凸緣的端點到凸緣厚度測量位置的距離。 SA.斜凸緣角度:剖面造型中斜凸緣平面與水平平面之間的角度。 t. 腹板厚度:剖面造型中腹板外部表面間的距離。 r1. 腹板圓角:腹板和凸緣間圓角的半徑。 r2. 凸緣圓角:剖面造型中凸緣尾端圓角的半徑。 y. 水平距心:剖面造型距心與水平軸左端點間的距離。 z. 垂直距心:剖面造型距心與垂直軸下端點間的距離。 |
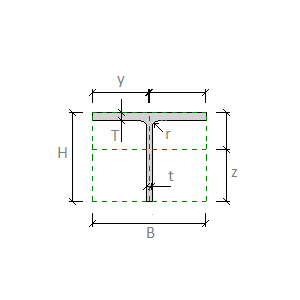
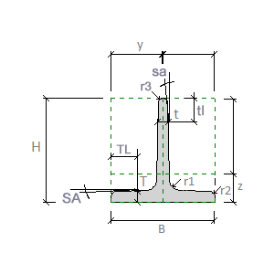
結構 T 形
![]() |
B. 寬度:剖面造型的外部寬度。 H. 高度:剖面造型的外部高度。 TL.凸緣厚度位置:從斜凸緣的端點到凸緣厚度測量位置的距離。 SA.斜凸緣角度:剖面造型中斜凸緣平面與水平平面之間的角度。 t. 腹板厚度:剖面造型中腹板外部表面間的距離。 tl.腹板厚度位置:從斜腹板的端點到腹板厚度測量位置的距離。 sa.斜腹板角度:剖面造型中斜腹板平面與垂直平面之間的角度。 r1. 腹板圓角:腹板和凸緣間圓角的半徑。 r2. 凸緣圓角:剖面造型中凸緣尾端圓角的半徑。 r3.頂部腹板圓角:剖面造型中腹板頂端圓角的半徑。 y. 水平距心:剖面造型距心與水平軸左端點間的距離。 z. 垂直距心:剖面造型距心與垂直軸下端點間的距離。 |