Tato podsestava slouží k překrytí jedné strany existující vozovky a k přidání jednoho nebo více jízdních pruhů k hraně vedoucí podél oblouku obrubníku.
Podobá se podsestavě PřekrytíRozšířeníPodleSklonu1 s tou výjimkou, že je protažena směrem dovnitř od existujícího nebo projektovaného bodu připojení rigolu.

Bod připojení leží na vnější hraně rozšiřujícího se úseku jízdního pruhu. Tato podsestava se obvykle vkládá směrem dovnitř od příruby existujícího nebo projektovaného obrubníku a rigolu nebo od vnější hrany zpevnění vozovky kolem oblouku obrubníku.
Poznámka: všechny rozměry jsou v metrech nebo stopách, pokud není uvedeno jinak. Všechny sklony jsou uvedeny v podobě poměru (například 4 : 1), pokud nejsou označeny jako procentní sklony se značkou „%“.
|
Parametr |
Popis |
Typ |
Výchozí |
|---|---|---|---|
|
Strana |
Určuje, na kterou stranu od bodu připojení bude tato podsestava přidána. |
Booleovský |
Levá / Pravá |
|
Šířka rozšíření |
Šířka rozšiřujícího pruhu. |
Numerický, kladný |
3.6 m 12.0 stop |
|
Šířka překrytí |
Šířka překrytí zpevnění vozovky. |
Numerický, kladný |
3.6 m 12.0 stop |
|
Sklon |
Sklon překrytí a rozšíření. |
Numerický |
–2 % |
|
Hloubka vrstvy Kryt1 |
Tloušťka vrstvy Kryt1 pro rozšíření jízdního pruhu (při zadání nulové hodnoty bude vynechána). |
Numerický, kladný |
0.025 m 0.083 stopy |
|
Hloubka vrstvy Kryt2 |
Tloušťka vrstvy Kryt2 pro rozšíření jízdního pruhu (při zadání nulové hodnoty bude vynechána). |
Numerický, kladný |
0.025 m 0.083 stopy |
|
Hloubka základny |
Tloušťka spodní podkladní vrstvy pro rozšíření jízdního pruhu. |
Numerický, kladný |
0.100 m 0.333 stopy |
|
Hloubka pláně |
Tloušťka ochranné vrstvy pro rozšiřující pruh |
Numerický, kladný |
0.300 m 1.0 stopa |
V této části jsou uvedeny parametry této podsestavy, které lze mapovat na jeden či více cílových objektů, například na povrch, trasu nebo objekt profilu ve výkresu. Další informace naleznete v části Určení cílových objektů koridoru.
|
Parametr |
Popis |
Stav |
|---|---|---|
|
Existující povrch |
Název povrchu, který definuje existující vozovku. Jako cíle pro určení tohoto povrchu lze použít následující typy objektů: povrchy. |
Požadováno |
|
Odsazení rozšíření |
Lze použít k přepsání pevné šířky rozšíření a k navázání vnitřní hrany rozšíření na trasu. Jako cíle pro určení tohoto odsazení lze použít následující typy objektů: trasy, křivky, návrhové linie nebo polygony zaměření. |
Volitelné |
|
Odsazení překrytí |
Lze použít k přepsání šířky překrytí a k navázání vnitřní hrany překrytí na trasu. Jako cíle pro určení tohoto odsazení lze použít následující typy objektů: trasy, křivky, návrhové linie nebo polygony zaměření. |
Volitelné |
|
Profil překrytí |
Lze použít k přepsání sklonu a k navázání výšky vnitřní hrany překrytí na profil s použitím vypočteného sklonu. Jako cíle lze pro určení výšky použít následující typy objektů: profily, 3D křivky, návrhové linie nebo polygony zaměření. |
Volitelné |
|
Parametr |
Popis |
Typ |
|---|---|---|
|
Sklon v % |
Vypočtený sklon na existujícím povrchu od vzorkovacího bodu do bodu vložení |
Numerický |
Bod připojení určuje odsazení a výšku vnější hrany rozšíření. Umístění vnitřní hrany rozšíření a vnitřní hrany překrytí je určeno pomocí daných šířek a sklonu. K přepsání daných numerických šířek lze použít trasy. Při zadaném profilu překrytí je vypočten sklon mezi výškou profilu na vnitřní hraně překrytí a bodem připojení.
Následující obrázek znázorňuje situaci s profilem odsazení překrytí. (Je-li dán profil překrytí, je vypočten sklon mezi výškou profilu na vnitřní hraně překrytí a bodem připojení.)

Následující obrázek znázorňuje situaci bez profilu odsazení překrytí.

Je důležité poznamenat, že sklon zleva doprava této podsestavy je stejný. Stejný sklon je rovněž aplikován na všechny dílčí povrchy.
Je-li připojen profil překrytí, je třeba přidat vertikální spojnice (a) od odsazení překrytí po cílový (stávající terén) povrch a (b) od konce překrytí a počátku rozšíření po cílový (stávající terén) povrch a (c) přidat spojnice mezi dvěma body podél (sledovacích) spojnic cílového (stávající terén) povrchu.
Plocha tvořená tímto tvarem má být v kódovacím diagramu níže označena jako Překrytí (S1).
Překrytí je plocha mezi horní částí překrytí a existujícím terénem a může mít nejednotnou hloubku.
V režimu návrhu je tato podsestava připojena k libovolnému vhodnému bodu. Podsestava je zobrazena s danými šířkami a sklonem. V režimu modelování se tvary upraví podle skutečných podmínek definovaných existujícím povrchem a logickými trasami a profilem runtime.
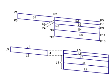
V následující tabulce jsou pro tuto podsestavu uvedeny kódy bodů, spojnic a tvarů, ke kterým byly přiřazeny kódy. Kódy bodů, spojnic a tvarů této podsestavy, které nemají přiřazeny kódy, nejsou v této tabulce zahrnuty.
| Bod, spojnice nebo tvar | Kódy | Popis |
|---|---|---|
| P5 | ETW | Vnější hrana rozšiřujícího jízdního pruhu na upraveném terénu |
| P7 | ETW_Pave1 | Vnější hrana rozšiřujícího jízdního pruhu na vrstvě Kryt1 |
| P9 | Lane_Pave1 | Vnější hrana rozšiřujícího jízdního pruhu na vrstvě Kryt2 |
| P11 | HranPodklad | Vnější hrana rozšiřujícího jízdního pruhu na Základu |
| P13 | HranPláň | Vnější hrana rozšiřujícího jízdního pruhu na Pláni |
| L1, L5 | Top, Pave | Povrch upraveného terénu |
| L2 | OŽK-Pokládka | Překrývající spojnice na existujícím povrchu. Všimněte si, že mezi bodem P3 a P4 může být více než jedna spojnice. |
| L6 | Pave1 | |
| L7 | Pave2 | |
| L8 | Podklad | |
| L9 | Pláň, RefPovrch | |
| L10 | RefPovrch | |
| S1 | OŽK-Pokládka | Plocha mezi překrytím a existujícím pruhem. |
| S2 | Pave1 | |
| S3 | Pave2 | |
| S4 | Podklad | |
| S5 | Pláň |
