Tato podsestava překryje jednu stranu existující silnice a přidá jeden nebo více jízdních pruhů ke hraně při zachování sklonu existujících pruhů.

Bod připojení je na vnitřní hraně horní části vrstvy překrytí.
Poznámka: všechny rozměry jsou v metrech nebo stopách, pokud není uvedeno jinak. Všechny sklony jsou uvedeny v podobě poměru (například 4 : 1), pokud nejsou označeny jako procentní sklony se značkou „%“.
|
Parametr |
Popis |
Typ |
Výchozí |
|---|---|---|---|
|
Odsazení vzorkovacího bodu |
Odsazení vzorkovacího bodu, které může být kdekoliv mezi bodem vložení a dalším zlomem sklonu na povrchu existující silnice. Typickým umístěním vzorkovacího bodu je střechovitý sklon silnice nebo opačná hrana vozovky, pokud silnice nemá střechovitý sklon. |
Numerický |
0.0 |
|
Odsazení bodu vložení |
Odsazení bodu vložení, které je obvykle na hraně vozovky, kde se vyskytuje rozšíření |
Numerický |
0.0 |
|
Hloubka překrytí |
Hloubka překrytí nad existujícím upraveným terénem |
Numerický, kladný |
0,100 m 0,30 ft |
|
Šířka |
Šířka rozšiřujícího pruhu |
Numerický, kladný |
3,6 m 12,0 ft |
|
Hloubka vrstvy Kryt1 |
Hloubka vrstvy Kryt1 pro rozšiřující pruh; při hodnotě nula se vynechá |
Numerický, kladný |
0,025 m 0,083 ft |
|
Hloubka vrstvy Kryt2 |
Hloubka vrstvy Kryt2 pro rozšiřující pruh; při hodnotě nula se vynechá |
Numerický, kladný |
0,025 m 0,083 ft |
|
Základní hloubka |
Tloušťka spodní podkladní vrstvy pro rozšiřující pruh |
Numerický, kladný |
0,100 m 0,333 ft |
|
Hloubka pláně |
Tloušťka ochranné vrstvy pro rozšiřující pruh |
Numerický, kladný |
0,300 m 1,0 ft |
V této části jsou uvedeny parametry této podsestavy, které lze mapovat na jeden či více cílových objektů, například na povrch, trasu nebo objekt profilu ve výkresu. Další informace naleznete v části Určení cílových objektů koridoru.
|
Parametr |
Popis |
Stav |
|---|---|---|
|
Existující povrch |
Název povrchu, který definuje existující vozovku. Jako cíle pro určení tohoto povrchu lze použít následující typy objektů: povrchy. |
Požadováno |
|
Odsazení vzorkovacího bodu |
Může se použít k přepsání pevného odsazení vzorkovacího bodu a k navázání bodu na trasu odsazení. Jako cíle pro určení tohoto odsazení lze použít následující typy objektů: trasy, křivky, návrhové linie nebo polygony zaměření. |
Volitelné |
|
Odsazení bodu vložení |
Může se použít k přepsání pevného odsazení bodu vložení a k navázání bodu na trasu odsazení. Jako cíle pro určení tohoto odsazení lze použít následující typy objektů: trasy, křivky, návrhové linie nebo polygony zaměření. |
Volitelné |
|
Šířka |
Může se použít k přepsání pevné šířky rozšiřujícího pruhu a k navázání hrany jízdního pruhu na trasu odsazení. Jako cíle pro určení tohoto odsazení lze použít následující typy objektů: trasy, křivky, návrhové linie nebo polygony zaměření. |
Volitelné |
|
Parametr |
Popis |
Typ |
|---|---|---|
|
Sklon v % |
Vypočtený sklon na existujícím povrchu od vzorkovacího bodu do bodu vložení |
Numerický |
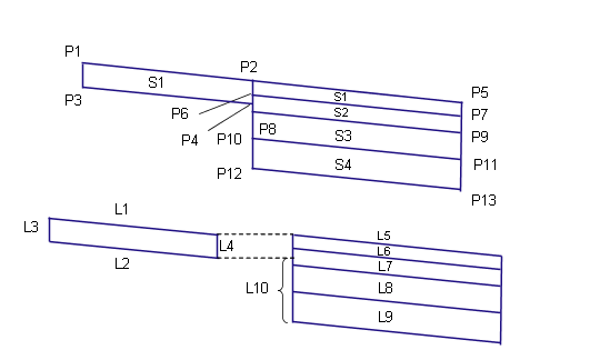
Jsou určeny výšky vzorkovacího bodu a bodu vložení na existujícím povrchu a vypočte se sklon vzorkovacího bodu do bodu vložení. Vrstva překrytí se přidá nad existující pruh se stejným sklonem pro danou hloubku překrytí. Uzavřený tvar překrytí se vytvoří tak, že se překryje jedno nebo více spojnic nad existujícím spádem. Rozšiřující pruh se připojí směrem od překrytí v odsazení vložení pomocí vypočteného sklonu.
Vrstvy zpevnění vozovky se uzavřou vertikálními spojnicemi na každém konci. Jedna vertikální spojnice se umístí také od vnitřní hrany Pláně do existujícího povrchu.
V režimu návrhu je tato podsestava připojena k libovolnému vhodnému bodu. Vrstva překrytí je zobrazena s jednotnou hloubkou v šířce 3,6 metru nebo 12 stop se sklonem -2 %. Rozšiřující pruh je veden od hrany překrytí pro danou šířku a hloubku se sklonem -2 %.
V režimu modelování se tvary upraví podle skutečných podmínek, které určuje vzorkovací bod, bod vložení a existující povrch.

V následující tabulce jsou pro tuto podsestavu uvedeny kódy bodů, spojnic a tvarů, ke kterým byly přiřazeny kódy. Kódy bodů, spojnic a tvarů této podsestavy, které nemají přiřazeny kódy, nejsou v této tabulce zahrnuty.
|
Bod, spojnice nebo tvar |
Kód |
Popis |
|---|---|---|
|
P5 |
ETW |
Vnější hrana rozšiřujícího jízdního pruhu na upraveném terénu |
|
P7 |
ETW_Pave1 |
Vnější hrana rozšiřujícího jízdního pruhu na vrstvě Kryt1 |
|
P9 |
Lane_Pave1 |
Vnější hrana rozšiřujícího jízdního pruhu na vrstvě Kryt2 |
|
P11 |
HranPodklad |
Vnější hrana rozšiřujícího jízdního pruhu na Základu |
|
P13 |
HranPláň |
Vnější hrana rozšiřujícího jízdního pruhu na Pláni |
|
L1, L5 |
Top, Pave |
Povrch upraveného terénu |
|
L2 |
OŽK-Pokládka |
Překrývající spojnice na existujícím povrchu. Všimněte si, že mezi bodem P3 a P4 může být více než jedna spojnice. |
|
L6 |
Pave1 |
|
|
L7 |
Pave2 |
|
|
L8 |
Podklad |
|
|
L9 |
Pláň, RefPovrch |
|
|
L10 |
RefPovrch |
|
|
S1 |
OŽK-Pokládka |
Plocha mezi překrytím a existujícím pruhem |
|
S2 |
Pave1 |
|
|
S3 |
Pave2 |
|
|
S4 |
Podklad |
|
|
S5 |
Pláň |
