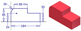
Vytváření většiny součástí začíná náčrtem. Náčrt je profil konstrukčního prvku a geometrie (například trajektorie tažení nebo osa rotace) potřebná k vytvoření prvku. První náčrt součásti může být jednoduchý profil.
Načrtnuté prvky jsou závislé na geometrii náčrtu. První konstrukční prvek součásti (základní konstrukční prvek) je obvykle načrtnutý konstrukční prvek. Veškerá geometrie náčrtu se vytváří a upravuje v prostředí náčrtu pomocí příkazů Náčrt na pásu karet. Můžete ovládat rastr náčrtu a používat příkazy ke kreslení čar, spline, kružnic, elips, oblouků, obdélníků, polygonů a bodů.
Je možné vybrat plochu na stávající součásti a na ní vytvářet náčrt. Náčrt se zobrazuje s definovaným kartézským rastrem. Chcete-li sestavit prvek na zakřiveném povrchu nebo v určitém úhlu k povrchu, vytvořte nejprve pracovní rovinu. Potom vytvářejte náčrt na pracovní rovině.
V prohlížeči se zobrazí ikona součásti s vnořenými prvky. Prvky plochy a pracovní prvky jsou vnořené nebo použité implicitně. Chcete-li ovládat vnoření nebo použití povrchových a pracovních prvků pro všechny prvky, nastavte příslušnou možnost na kartě Součást v dialogu okna Možnosti aplikace. Chcete-li přepsat použití pro jednotlivé prvky, klikněte pravým tlačítkem na příslušný prvek v prohlížeči a vyberte možnost Použít vstupy.
Modely vytvořené těmito operacemi jsou obvykle prvky těles nebo nová tělesa tvořící uzavřený objem.
Vysunutí
Přidá hloubku do profilu náčrtu podél přímé trajektorie.
Může vytvořit těleso.

Promítne profil náčrtu okolo osy.
Osa a profil musí být koplanární.
Může vytvořit těleso.

Šablonování
Konstruuje prvky se dvěma nebo více profily.
Přenáší model z jednoho tvaru na následující.
Zarovná profily k jedné nebo více trajektoriím.
Může vytvořit těleso.

Tažení
Promítne jeden profil náčrtu podél jedné načrtnuté trajektorie.
Trajektorie může být otevřená nebo uzavřená.
Profil náčrtu může obsahovat několik smyček, které se nacházejí ve stejném náčrtu.
Může vytvořit těleso.

Šroubovice
Promítne náčrt profilu podél spirály.
Pomocí položky Spirála můžete vytvářet pružiny nebo modelovat fyzické závity na součástech.
Může vytvořit těleso.

Mnohými z těchto operací můžete vytvářet povrchy. Povrchy mohou tvořit otevřený nebo uzavřený objem, ale nemají žádnou hmotnost. Pomocí povrchů můžete definovat tvary, používat je jako dělící nástroje nebo vyřezávat určité části tělesa součásti.

Následující prvky vyžadují náčrty, ale nevytváří základní prvek, protože jsou závislé na stávající geometrii.
Tyto prvky nevytváří základní prvek, protože jsou závislé na existující geometrii.
Žebro
Vytvoří vysunutí žebra nebo stojiny z 2D náčrtu.
Položka Žebro slouží k vytváření uzavřených tenkostěnných podpůrných tvarů (žeber) a otevřených tenkostěnných opěrných tvarů (stojin).

Reliéf
Vytvoří zvýšené (reliéfní) nebo zapuštěné (gravírované) prvky z profilu náčrtu.

Obtisk
Použije soubor obrázku na plochu součásti.
Obtisk můžete přidat kvůli zvýšení realistického dojmu nebo kvůli aplikaci popisku.
