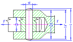
Doporučené hodnoty:
d = (0.2 -0.3) D
D 1 = (1,5 - 2) D – pro ocel a ocel na odlitky
D 1 = 2,5 D – pro šedé litiny
Aktivní délka kolíku
Aktivní délka kolíku l f je délka zkrácená zaoblením a zkosením. Aktivní délka obvykle nese zatížení.
Vzorce
Kontrola smykového napětí
Kontrola dotykového tlaku
Význam symbolů v metrických jednotkách:
| τ |
smykové napětí [MPa]. |
|
τ A |
dovolené napětí ve smyku [MPa]. |
|
d |
průměr kolíku [mm]. |
|
p 1 |
tlak v táhle [MPa]. |
|
p 2 |
tlak v objímce [MPa]. |
|
p 1A |
dovolený tlak v objímce [MPa]. |
|
p 2A |
dovolený tlak v táhle [MPa]. |
|
D |
průměr táhla [mm]. |
|
D 1 |
průměr objímky [mm]. |
Význam symbolů v anglických jednotkách:
| τ |
smykové napětí [psi] |
|
τ A |
přípustné smykové napětí [psi] |
|
d |
průměr kolíku [in] |
|
p 1 |
tlak v táhle [psi] |
|
p 2 |
tlak v pouzdru [psi] |
|
p 1A |
přípustný tlak v pouzdru [psi] |
|
p 2A |
přípustný tlak v táhle [psi] |
|
D |
průměr táhla [in] |
|
D 1 |
průměr pouzdra [in] |