Po otevření nástroje Generovat rozvržení nabízí karta Generovat rozvržení a panel Možnosti následující nástroje, které umožňují vytvořit rozvržení pro váš systém.
Čáry rozvržení můžete spojit tak, že nejprve vyberete čáru rozvržení, kterou chcete spojit, a poté přetáhnete její ovládací prvek ohybu/konce, dokud se ovládací prvek nepřichytí k sousední čáře rozvržení. Čára rozvržení, která byla upravena, se automaticky odstraní a přidají se další čáry rozvržení, které vyjadřují fyzické připojení ke komponentě, která je asociována s upravenou čárou rozvržení. Všechny komponenty, které jsou asociovány s upravenými čarami rozvržení, si zachovají své původní umístění. Spojení čar rozvržení umožňuje předefinovat rozvržení tak, aby odpovídalo záměru návrhu.
Pokud použijete příkaz Upravit, pro aktuální (upravené) rozvržení se zapamatuje jedno uživatelské řešení. Pokud později použijete příkaz Upravit k výběru jiného řešení, zobrazí se zpráva s dotazem, zda chcete přepsat předchozí řešení.
Chcete-li upravit rozvržení, klikněte na tlačítko
(Upravit) a vyberte čáru rozvržení, kterou chcete přemístit nebo spojit. Poté můžete použít následující ovládací prvky:
Ovládací prvek rovnoběžného pohybu: Umožňuje přesunout čáru celého rozvržení podél osy, která je kolmá k čáře rozvržení. V případě potřeby se automaticky přidají další čáry, aby se zachovala připojení v systému. Povšimněte si, že tento ovládací prvek nelze použít k překrytí segmentů rozvržení. Je nutné použít ovládací prvek ohybu/konce.
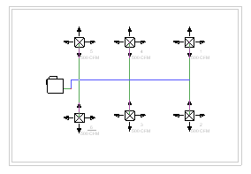
Ovládací prvky křížení:
– představuje spoj T.
– představuje křížení. Tyto ovládací prvky křížení umožňují přesouvat spoj T nebo křížové připojení mezi hlavním segmentem a segmentem větve, doleva nebo doprava či nahoru nebo dolů. Pohyb je omezen na konec asociovaný se symbolem ovládacího prvku křížení (viz výše uvedená poznámka).
Ovládací prvek ohybu/konce: Umožňuje přesunout průsečík dvou čar rozvržení nebo konec čáry rozvržení. Tento ovládací prvek také umožňuje spojovat čáry rozvržení. V případě potřeby se automaticky přidají další čáry rozvržení, aby se zachovala připojení v systému
Ovládací prvek výšky: Označuje aktuální výšku řádku. Klikněte na ovládací prvek výšky a zadejte hodnotu, čímž upravíte výšku.
Síť: Toto řešení vytvoří hraniční obdélník kolem komponent vybraných pro systém potrubí a poté založí až šest řešení na hlavním segmentu podél středové čáry v hraničním obdélníku, a to s větvemi v úhlu 90 stupňů od hlavního segmentu.

Obvod: Toto řešení vytvoří hraniční obdélník kolem komponent vybraných do systému a navrhne pět potenciálních postupů tras. Čtyři řešení jsou založena na třech nebo čtyřech stranách hraničního obdélníku. Páté řešení je založeno na všech čtyřech stranách.

Můžete určit hodnotu Vložka, která určuje odsazení mezi hraničním obdélníkem a komponentami.
Průsečíky: Toto řešení založí potenciální trasu na dvojici imaginárních čar vycházejících z každé spojky v komponentách v systému. Kolmé čáry vycházejí ze spojek. Místa, kde se čáry z komponent protínají, představují potenciální křížení v navrhovaném řešení. Podél nejkratších trajektorií lze navrhnout až osm řešení.
Pomocí tlačítek se šipkami (![]()
) můžete procházet navržené postupy tras.
Nastavení: Otevře dialog Nastavení konverze potrubí, ve kterém lze určit charakteristiky hlavního potrubí a potrubí větve.
Vložka: Určuje vzdálenost mezi hraničním obdélníkem a komponentami v systému. Chcete-li umístit obvod uvnitř, případně mimo hraniční obdélník, je možné zadat kladnou nebo zápornou hodnotu.
Povšimněte si, že tato možnost je k dispozici pouze po výběru typu řešení Obvod.
Povšimněte si, že tato možnost se liší od příkazu Zpět (Ctrl + Z), protože příkaz Přidat umožňuje opakovaně zařadit prvky bez ohledu na postupné pořadí.
Chcete-li použít základní ovládací prvek, umístěte základní ovládací prvek tam, kde se bude v rozvržení nacházet otevřené připojení potrubí. Základní ovládací prvek můžete také umístit za účelem připojení podsestav rozvržení. Pokud je základna ve stejné výšce jako otevřená připojení, horizontální trubka nebo potrubí se připojí k otevřeným připojením podsestav. Pokud je základní ovládací prvek umístěn v jiné výšce než otevřená připojení, vytvoří se trubka nebo podstupnice potrubí, která připojí rozvržení.
Otočit kolem směru připojení: Otočí základní ovládací prvek kolem osy směru připojení základního ovládacího prvku (směr připojení je naznačen šipkou ve 3D pohledu).
Otočit kolmo ke směru připojení: Otočí základní ovládací prvek kolem osy směru připojení základního ovládacího prvku a kolmo k ní (směr připojení je naznačen šipkou ve 3D pohledu).
Přesunout základní: Přemístí základní ovládací prvek.