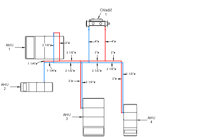
Následující obrázky znázorňují výsledky různých metod dimenzování teplovodního potrubí.

Před dimenzováním

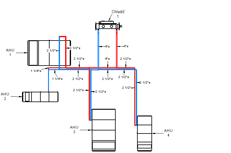
Po stanovení rozměrů

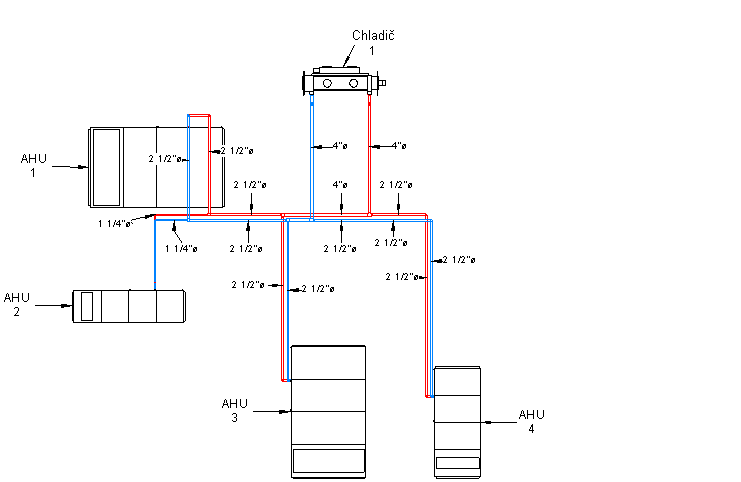
Před dimenzováním

Po dimenzování

Před dimenzováním

Po dimenzování

Před dimenzováním

Po dimenzování

Před dimenzováním

Po stanovení rozměrů